Wolfspeed KIT-CRD-CIL12N-GMA WolfPACK™ Evaluation Board

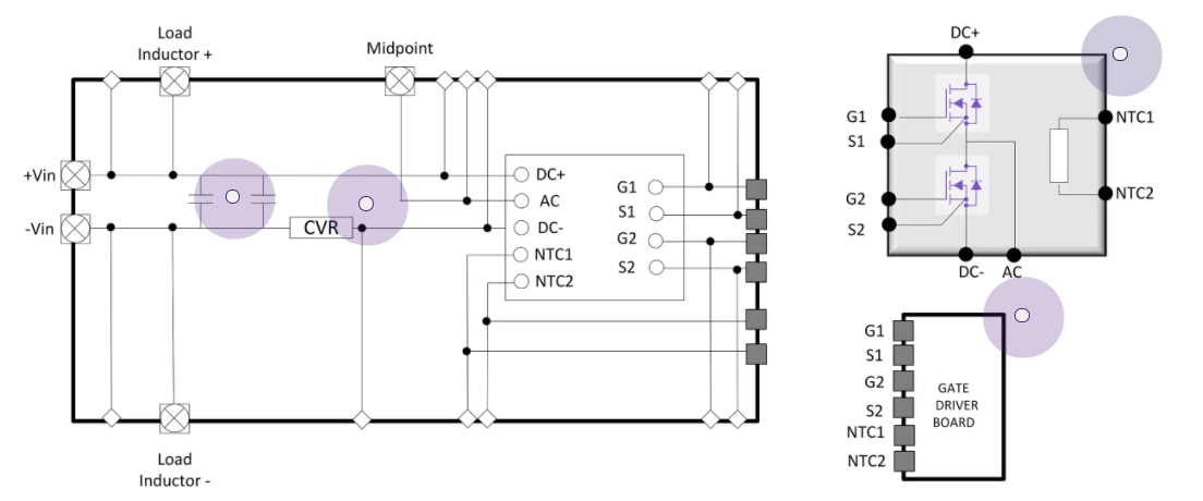
Wolfspeed KIT-CRD-CIL12N-GMA WolfPACK™ Half-Bridge Evaluation Board is a dynamic characterization tool built to evaluate and optimize the switching performance of the GM3 SiC half-bridge power modules. The Board includes a clamped inductive load (CIL) test circuit with a current measurement that provides a high speed, low inductance test fixture for double pulse testing. The test fixture combined with a chosen gate driver board allows measurement of timing, overshoot, speed, and switching loss.

Features

  • Optimized for Wolfspeed’s WolfPack GM3 SiC half-bridge power modules
  • DC bus voltage up to 1000V
  • Onboard 200uF bulk capacitor and high-frequency film capacitor bank
  • High speed, low inductance layout with a stray inductance of 4.9nH @10Mhz
  • On-board Current Viewing Resistor (CVR)
  • Screw terminal‘s for supply, midpoint, and load inductor connections

Applications

  • EV fast charging
  • Industrial power
  • UPS
  • Induction heating welding
  • Industrial motor drives
  • Power Supplies
  • Solar and renewable energy
  • Grid infrastructure

Kit Contents

  • Fully assembled PCB board
  • Reference design files

COMPONENT LAYOUT

Wolfspeed KIT-CRD-CIL12N-GMA WolfPACK™ Evaluation Board

Block DIagram

Block Diagram - Wolfspeed KIT-CRD-CIL12N-GMA WolfPACK™ Evaluation Board
Published: 2021-11-09 | Updated: 2022-03-11