Vishay Optically Isolated MOSFET Drivers
Vishay Optically Isolated MOSFET Drivers provide the voltage required to drive the gate of a low-voltage MOSFET. The gate voltage is generated by photovoltaic cells, and no power supply is needed on the output side. This simplifies designs when using low-voltage MOSFETS. The single channel VOM1271T provides 8.4 V output voltage with an input forward current of just 10mA. The dual channel VO1263AACTR provides 14.5V output voltage.Features
- VOM1271T:
- Open circuit voltage of 8.4V typical with IF=10mA
- Short circuit current of of 15µA typical
- Isolation voltage 3750VRMS
- Turn-on time 53µs, Turn-off time 24µs
- No VCC on the output side
- Gate voltage generated solely by photovoltaic cells
- Small and SOP-4 package
- Automotive AEC-Q102 qualified option
- VOD3120AB-T:
- 2.5A minimum peak output current
- Operating voltage of 15V to 30V
- Isolation voltage 5300VRMS
- Turn-on time 35µs, Turn-off time 150µs
- VO1263AACTR:
- Dual channel
- Open circuit voltage of 14.7V typical with IF= 10mA
- Open circuit voltage of 15.2V typical with IF= 30mA
- Short circuit current of 15µA typical with IF= 10mA
- Isolation voltage 5300VRMS
- Turn-on time 35µs, Turn-off time 150µs
Block Diagram
VOM1271T Application Diagram
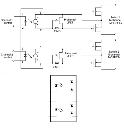
VO1263AACTR Application Diagram
VOD3120AB-T Application Diagram
Published: 2023-08-18
| Updated: 2024-08-13
