Vishay / Sfernice 40 LHE Linear Position Sensor
Vishay / Sfernice 40 LHE Linear Position Sensor is a compact, high-performance device designed for precise linear displacement measurement in demanding environments. Utilizing non-contact Hall effect technology, the Vishay / Sfernice 40 LHE offers excellent durability and reliability with a long operational life, even in harsh conditions. The sensor features a stroke length of up to 40mm, high linearity (±1%), and repeatability, making it ideal for applications requiring accurate position feedback. A robust construction includes an IP67-rated housing, ensuring protection against dust and water ingress. Commonly used in industrial automation, medical equipment, aerospace, and automotive systems, the 40 LHE sensor is well-suited for tasks such as actuator position monitoring, robotic control, and motion tracking in precision instruments.Features
- Accurate linearity down to ±1%
- Absolute position
- Electrical strokes from 0mm to 40mm
- Long life, greater than 10M cycles
- Non-contacting Hall effect technology
- Model dedicated to all applications in harsh environments
- Versatile “2 faces” mounting
- Optional spring return
- Lead-free and RoHS-compliant
Applications
- Industrial automation
- Position feedback in actuators and robotic arms
- Monitoring linear motion in automated machinery
- Medical equipment
- Precise control of movement in diagnostic and therapeutic devices
- Position sensing in patient beds or imaging systems
- Aerospace and defense
- Control surface position feedback
- Monitoring actuator positions in aircraft systems
- Automotive
- Throttle or pedal position sensing
- Suspension and steering system feedback
- Test and measurement systems
- Calibration and precision measurement setups
- Linear displacement tracking in lab instruments
- Renewable energy - position tracking in solar panel alignment systems
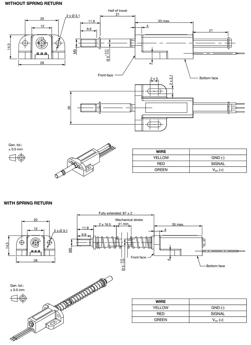
Specifications
- 35mm x 14.5mm x 28mm size
- Up to 40mm electrical stroke
- Independent linearity
- Analog output - ±1% (at VMAX = 0.5m/s) / ±2% (at VMAX = 1m/s)
- PWM output - ±1% (at VMAX = 0.4m/s) / ±2% (at VMAX = 0.8m/s)
- 12μm resolution (40mm stroke)
- 5VDC ±10% supply voltage
- <16mA typical supply current
- Analog ratiometric (10% to 90% of VSUPPLY) or PWM (1kHz - 10% to 90% of duty cycle) output signal
- +20VDC over-voltage protection (input)
- -10VDC reverse voltage protection (input)
- +10VDC output over-voltage protection (+14VDC peak - 200s at +25°C)
- 1kΩ minimum load resistance for analog output and PWM output
- 0.1% static hysteresis of VSUPPLY
- <15ms start-up cycle
- 42mm maximum mechanical travel
- Sleeve bearing type
- “2 faces” mounting (drilled flange - 2x2 holes for 2x M3 screws) + M5 at the end of the shaft (threaded option only)
- 0.2N maximum actuation force (spring option - from 1.3N to 7N typical along stroke)
Dimensions: mm
Published: 2025-08-05
| Updated: 2025-08-22
