Toshiba TB67Z800FTG Half-Bridge Driver
Toshiba TB67Z800FTG Half-Bridge Driver is a 3-channel device which controls all channels independently. This half bridge driver features overcurrent protection, thermal shutdown, and under voltage lockout. The TB67Z800FTG half bridge driver also offers dead time for preventing shoot-through current. This driver delivers a maximum output current rating of 3A.Features
- Overcurrent protection
- Thermal shutdown
- Undervoltage lockout
- Dead time for preventing shoot-through current
Specifications
- 5.5V maximum input voltage
- 0.12V typical input voltage hysteresis
- 3A maximum output current rating
- 4V to 22V power supply, 25V maximum
- 25V maximum rated power supply
- 2.8W power dissipation
- 9MHz typical OSC frequency
- -40°C to +105°C operating temperature range
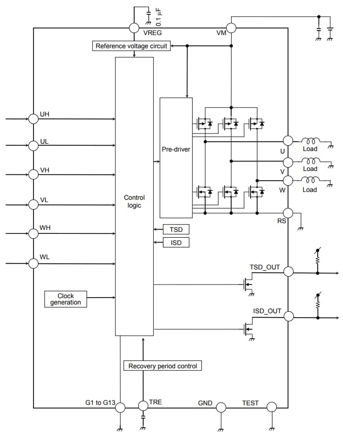
Application Circuit
Published: 2018-04-23
| Updated: 2023-02-13
