Toshiba TB6560AFTG Motor Driver IC

Toshiba TB6560AFTG Motor Driver IC is a PWM Chopper-Type Bipolar device for stepping motor control. This single-chip motor driver IC is designed for sinusoidal-input micro-step control. TB6560AFTG provides forward and reverse driving using only a clock signal. Featuring low vibration and high performance, the Toshiba TB6560AFTG Motor Driver IC is suitable for applications that require 2-phase, 1-2-phase, 2W1-2-phase, and 4W1-2-phase excitation modes.

Features

  • Single-chip motor driver for sinusoidal microstep control of stepping motors
  • High output withstand voltage due to the use of BiCD process:
    • Ron (upper and lower sum) = 0.7Ω (typ.)
  • Forward and reverse rotation
  • Selectable phase excitation modes (2, 1-2, 2W1-2, and 4W1-2)
  • VDSS = 40V output withstand voltage
  • IOUT = 2.5A (peak) output current
  • QFN48-P-0707-0.50 package
  • 100kΩ (typ.) internal pull-down resistors on inputs
  • MO current (IMO (max) = 1mA) output monitor pin
  • Reset and enable pins
  • Thermal shutdown (TSD)

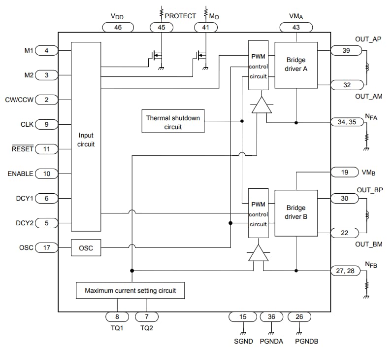
Block Diagram

Block Diagram - Toshiba TB6560AFTG Motor Driver IC
Published: 2016-11-08 | Updated: 2022-03-11