Texas Instruments UCC2863x High Power Flyback Controllers

Texas Instruments UCC2863x High Power Flyback Controllers target high-power, primary-side regulated flyback converters. The ability to operate in both CCM and DCM makes the device suitable for applications with a wide power range. The peak power mode allows transient peak power delivery up to 200% of the nominal rating, with only a 25% peak current increase, maximizing transformer utilization. The transformer bias winding is used to sense output voltage for regulation and low-loss input voltage sensing. Advanced sampling techniques allow CCM operation and deliver excellent output voltage regulation performance for optocoupler-less designs at power levels of 100W and above.

A high-voltage current source on the Texas Instruments UCC2863x enables fast and efficient start-up. Advanced light-load modes are deployed to reduce controller and system power consumption at no-load and light-load. These modes enable potential system designs to meet 30mW no-load power for power designs up to 30W nominal, 60W peak.

Features

  • High-power, primary-side CV/CC regulation
  • Continuous Conduction Mode (CCM) and Discontinuous Conduction Mode (DCM) operation
  • Built-in 700V start-up current source
  • Active X-capacitor discharge (UCC28630 and UCC28633)
  • Adjustable Constant-Current (CC) mode limiting (except for UCC28630)
  • High gate drive current 1A source and 2A sink
  • Low power modes for < 30mW system standby
  • Best-in-class light load (10%) efficiency >85%
  • PSR design with no optocoupler - can meet high CM isolation and surge requirements
  • VDD OVP for independent indirect output OV under open-feedback fault conditions
  • Peak-power mode for transient overload
  • Shutdown pin interface for external NTC
  • Protections: Overvoltage, overcurrent, over temperature, overload timer (UCC28630), AC line UV, brownout, and pin protections
  • Frequency dither to ease EMI compliance (except the UCC28632)

Applications

  • AC-DC adapters for notebooks, game consoles, printers
  • Open frame SMPS for industrial, printer, white goods, and LCD monitors
  • Energy-efficient AC-DC supplies for nominal power 10W to 65W (with up to 200% transient peak power)

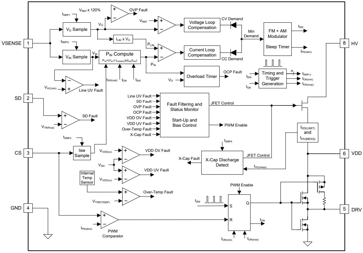
Functional Block Diagram

Block Diagram - Texas Instruments UCC2863x High Power Flyback Controllers
Published: 2018-05-18 | Updated: 2023-01-12