Texas Instruments TRF1305x2-D2D-EVM Evaluation Module
Texas Instruments TRF1305x2-D2D-EVM Evaluation Module is designed to quickly and easily demonstrate the TRF1305 fixed-gain fully differential amplifiers (FDA) with high linearity and a 3dB bandwidth of 6.5GHz. The TRF1305 amps are offered in single- and dual-channel packaging with three different fixed gains. These amplifiers operate with two flexible supply rails, can be DC-coupled, and support a wide range of common-mode voltage.Four TI TRF1305x2-D2D-EVM Evaluation Module types cover all device variants in the configurations.
Features
- Configured for split-supply operation and easily modified for single-supply
- Designed for easy connection to standard 50Ω input and output impedance test equipment
- Single-ended or differential input signals
- Power down option available onboard using a jumper connector
Applications
- RF sampling or GSPS ADC driver
- Test and measurement
- Wireless communications test
- High-speed data acquisition
- Oscilloscopes (DSOs)
- High-speed digitizer
- Spectrum analyzer
- Vector signal transceiver (VST)
- Common-mode level shifting
- RF active balun
- I/Q mixer interface
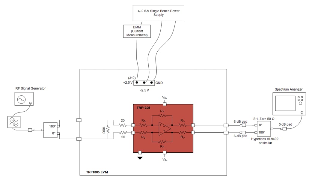
Single Tone Setup for Gain and Output P1dB
Layout
Published: 2024-09-12
| Updated: 2025-02-22
