Texas Instruments TPS536C5 Dual-Channel Multiphase Controller
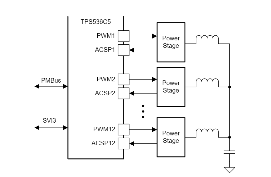
Texas Instruments TPS536C5 Dual-Channel Multiphase Controller is fully AMD SVI3 compliant, with dual channels, built-in non-volatile memory (NVM), and PMBus™ interface. The TPS536C5 is thoroughly compatible with the TI NexFET™ smart power stage. Advanced control features, including D-CAP+™ architecture with undershoot reduction (USR), supply fast transient response, low output capacitance, and good current sharing. The device offers a dynamic phase shedding and novel phase interleaving strategy for efficiency improvement at different loads. AMD SVI3 features also include an adjustable VCORE slew rate and voltage positioning. Additionally, the TI TPS536C5 supports the PMBus communication interface for reporting the telemetry of voltage, current, power, temperature, and fault conditions to the systems. To minimize the external component count, all programmable parameters can be configured via the PMBus interface and stored in NVM as the new default values.The TPS536C5 is housed in a thermally enhanced 48-pin QFN package and operates from -40°C to 125°C.
Features
- Input voltage range of 4.5V to 17V
- Output voltage range of 0.25V to 5.5V
- Dual output supporting N+M ≤12 phases, M ≤6 phases
- Native trans-inductor voltage regulator (TLVR) topology support
- AMD SVI3 compliant
- Enhanced D-CAP+™ control to provide superior transient performance with excellent dynamic current sharing
- Programmable loop compensations
- Flexible phase-firing sequencing
- Dynamic phase shedding with programmable current threshold for optimizing efficiency at light and heavy loads
- Individual phase current calibrations and reports
- Fast phase-adding for undershoot reduction
- Driverless configuration for efficient high-frequency switching
- Fully compatible with TI NexFET™ power stages for high-density solutions
- Accurate, adjustable voltage positioning
- Patented AutoBalance™ phase current balancing
- Selectable per-phase current limit
- PMBus™ system interface for telemetry of voltage, current, power, temperature, and fault conditions
- 6.00mm × 6.00mm, 48-pin, 0.4mm pitch, QFN package
Applications
- Rack server
- Microserver and tower server
- High-performance computing
- Baseband unit (BBU)
Block Diagram
Published: 2024-05-08
| Updated: 2024-05-22
