Texas Instruments TPS3760/TPS3760-Q1 High Voltage Supervisors

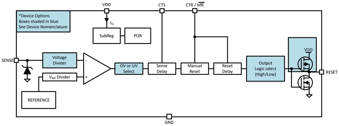
Texas Instruments TPS3760/TPS3760-Q1 High Voltage Supervisors are wide input range and low quiescent current window supervisors for fast detection of overvoltage (OV) or undervoltage (UV) conditions. The TPS3760/TPS3760-Q1 can be connected directly to and monitor 12V/24V supply rails in various industrial applications, including factory automation, motor drives, building automation, and others. Built-in hysteresis on the SENSE pins prevents false reset signals when monitoring a supply voltage rail.

The separate VDD and SENSE pins allow redundancy sought by high-reliability systems. SENSE is decoupled from VDD and can monitor higher and lower voltages than VDD. Optional use of external resistors is supported by the high impedance input of the SENSE pins. CTSx and CTRx pins allow delay adjustability on the rising and falling edges of the RESET signals. Also, CTSx functions as a debouncer by ignoring voltage glitches on the monitored voltage rails; CTRx operates as a manual reset (MR) that can be used to force a system reset.

The Texas Instruments TPS3760/TPS3760-Q1 is available in a 4.1mm × 1.9mm SOT 14-pin package. TPS3760/TPS3760-Q1 operates over –40°C to +125°C TA. The TPS3760-Q1 devices are AEC-Q100 qualified for automotive applications.

Features

  • Functional Safety-Capable
    • Documentation available to aid functional safety system design
  • 2.7V to 65V wide supply voltage range 
  • SENSE and RESET pins are 65V graded
  • Low quiescent current: 1µA (typical)
  • Flexible and wide voltage threshold options
    • 2.7V to 36V (1.5% maximum accuracy)
    • 800mV option (1% maximum accuracy)
  • Built-in hysteresis (VHYS)
    • Percentage options: 2% to 13% (1% steps)
    • Fixed options: VTH < 8V = 0.5V, 1V, 1.5V, 2V, 2.5V
  • Programmable reset time delay
    • 10nF = 12.8ms, 10µF = 12.8s
  • Programmable sense time delay
    • 10nF = 1.28ms, 10 µF = 1.28s
  • Manual Reset (MR) feature
  • Output reset latching feature
  • Output topology: Open-Drain or Push-Pull

Applications

  • Analog input module
  • CPU (PLC controller)
  • Servo drive control module
  • Servo drive power stage module
  • Servo drive functional safety module
  • HVAL valve and actuator control

Functional Block Diagram

Block Diagram - Texas Instruments TPS3760/TPS3760-Q1 High Voltage Supervisors
Published: 2022-05-10 | Updated: 2024-09-27