Texas Instruments TPS25831Q1EVM-062 Evaluation Module

Texas Instruments TPS25831Q1EVM-062 Evaluation Module is designed for USB Type-C™ and BC1.2 5V 3.5A output, 36V input synchronous buck with cable compensation. The TPS25831Q1EVM-062 evaluation module offers a power terminal block, USB Type-A, and USB Type-C connector for device charging and data communication. The Texas Instruments TPS25831Q1EVM-062 adjusts the cable compensation, current limit, DC-DC frequency, and NTC thermal protection by the resistor.

Features

  • 6V to 36V (40V Abs max) input range current mode control DC-DC converter
  • ±8% current sense accuracy (IOUT > 1.5A) for precision cable droop compensation
  • USB battery charging specification Rev. 1.2 and Type-C Rev. 1.3 compliant
  • CC1, CC2, D+ and D- short-to-VBAT and VBUS protection
  • User-programmable VBUS current limit and internal VCONN current limiting
  • User-programmable external NTC component for system thermal management

Applications

  • Automotive
    • Infotainment
    • USB hubs
    • Aftermarket USB chargers

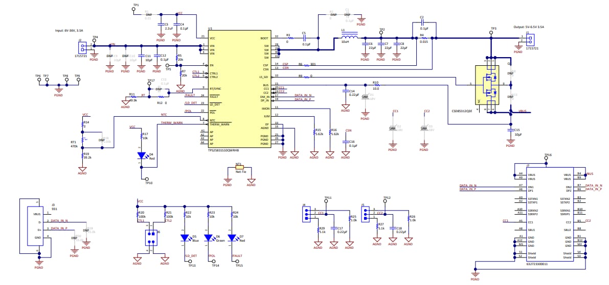
Schematic

Schematic - Texas Instruments TPS25831Q1EVM-062 Evaluation Module
Published: 2019-04-24 | Updated: 2023-08-23