Texas Instruments TLV6003 Operational Amplifiers

Texas Instruments TLV6003 Operational Amplifiers consume 980nA per channel while offering a very low maximum offset. The reverse battery protection guards the TLV6003 against an overcurrent condition due to improper battery installation. The inputs can be taken 5V greater than the positive supply rail without damage to the device in harsh environments.

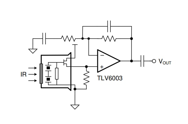
The low supply current is coupled with a low input bias current, enabling the TLV6003 to be used with high series resistance input sources, such as PIR motion detectors and carbon monoxide sensors. DC accuracy is maintained with a low max offset voltage of 550µV (25°C), a typical CMRR of 120dB, and a minimum open-loop gain of 112dB at 2.7V.

The Texas Instruments TLV6003 provides a maximum operating supply voltage of 2.5V to 16V, with electrical characteristics of 2.7V, 5V, and 15V. The TLV6003 operational amplifiers have a 2.5V operation, allowing compatibility with Li-Ion battery-powered systems, and are an excellent candidate for input signal gain and buffering into low-power microcontrollers, such as the MSP430.

Features

  • 1.2µA (maximum) micro-power operation
  • 550µV (maximum) low input offset voltage
  • Reverse battery protection up to 18V
  • Rail-to-rail input/output
  • 5.5kHz gain-bandwidth product
  • 5-pin SOT-23 Small package
  • Specified temperature range of TA = –40°C to +125°C
  • Operating temperature range of TA = –55°C to +125°C
  • –0.1V to VCC + 5V input common-mode range exceeds the rails
  • 2.5V to 16V supply voltage range

Applications

  • Flow transmitter
  • Pressure transmitter
  • Motion detector (PIR, uWave, and more)
  • Blood glucose monitor
  • Gas detector

PIR Motion Detector Buffer

Texas Instruments TLV6003 Operational Amplifiers

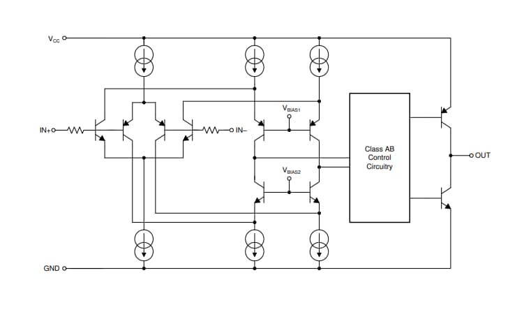
Functional Block Diagram

Block Diagram - Texas Instruments TLV6003 Operational Amplifiers
Published: 2019-11-26 | Updated: 2024-02-08