Texas Instruments TLV3802EVM Evaluation Module
Texas Instruments TLV3802EVM Evaluation Module was developed to demonstrate the high-speed dual-channel TLV3802 comparator. The TI TLV3802EVM has layout options intended to evaluate timing performance with different measurement tools simply. The output of the TLV3802 is created for low-voltage differential signals (LVDS), which deliver high-speed signals to interconnect devices such as FPGAs with minimal power dissipation.Features
- Low propagation delay
- Low overdrive dispersion
- High toggle frequency
- Narrow pulse width detection capability
- LVDS output
- Low input offset voltage
- WF-DFN Package 12-pin DSS
Applications
- Distance sensing in LIDAR
- High-speed trigger function in oscilloscope and logic analyzer
- Drone vision
- Time-of-Flight sensors
- High-speed differential line receiver
Layout
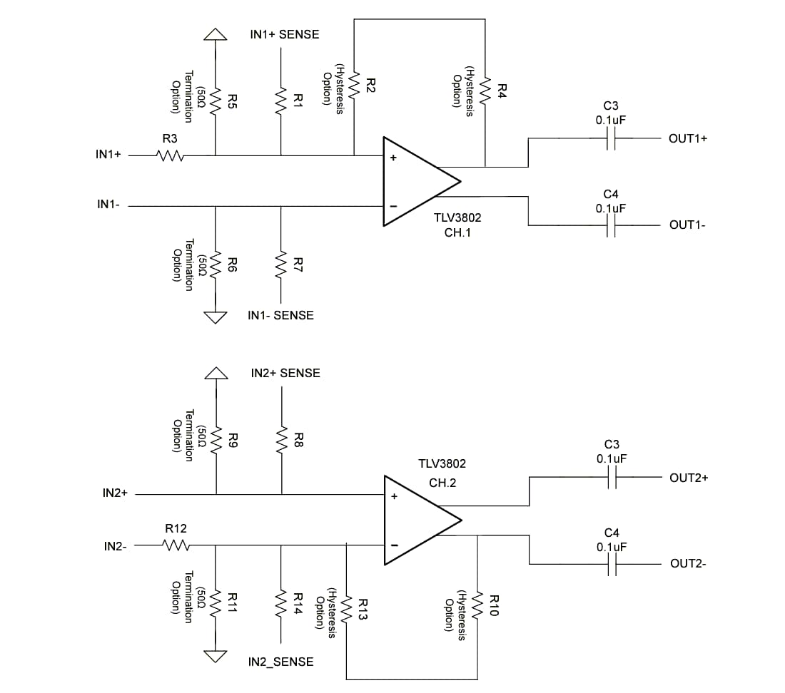
Block Diagram
Published: 2024-02-05
| Updated: 2024-02-08
