Texas Instruments TAS2781EVM Evaluation Module

Texas Instruments TAS2781EVM Evaluation Module demonstrates the performance of the TAS2781 Class-D audio amplifier in a mono configuration. This evaluation module uses interfaces such as I2C or SPI, USB, hardware shutdown control, and external 100-mil headers to support the evaluation and development of TAS2781. The TAS2781EVM module can be controlled and configured using the PurePath Console 3 software.

Features

  • Supports evaluation and development of the TAS2781 through various interfaces:
    • USB interface
    • Software control via PurePath™ Console 3 (PPC3) GUI, USB-HID
    • USB-class audio device, compatible with Microsoft® Windows® 7+
    • PSIA – I2S/TDM interface
    • I2C or SPI
    • External 100-mil headers
    • Hardware shutdown control
    • Interrupt output
  • Uses the onboard controller to provide a connection interface and supply voltages
  • Hybrid-pro boost controller support
  • USB input for audio data and control

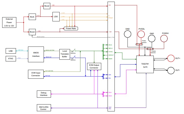
TAS2781EVM Schematic and Block Diagram

Schematic - Texas Instruments TAS2781EVM Evaluation Module
Published: 2024-01-05 | Updated: 2024-01-11