Texas Instruments SN74HCT595/SN74HCT595-Q1 8-Bit Shift Register

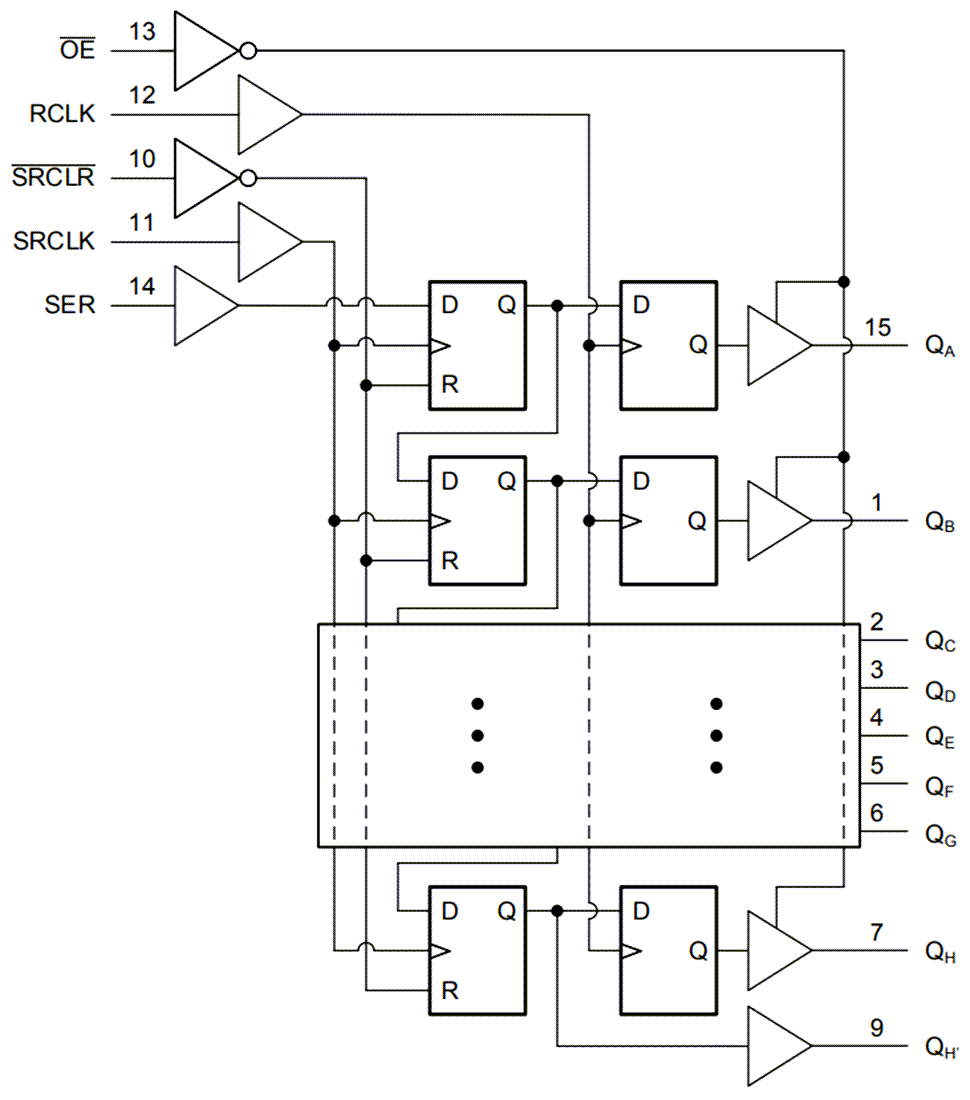
Texas Instruments SN74HCT595/SN74HCT595-Q1 8-Bit Shift Register contains an 8-bit, serial-in, parallel-out shift register that feeds an 8-bit D-type storage register. The storage register has parallel 3-state outputs. Separate clocks are provided for both the shift and storage register. The shift register has a direct overriding clear (SRCLR) input, serial (SER) input, and a serial output (QH’) for cascading. When the output-enable (OE) input is high, the storage register outputs are in a high-impedance state. Internal register data and serial output (QH’) are not impacted by the operation of the OE input. The Texas Instruments SN74HCT595-Q1 devices are AEC-Q100 qualified for automotive applications.

Features

  • LSTTL input logic compatible
    • VIL(max) = 0.8V, VIH(min) = 2V
  • CMOS input logic compatible
    • II ≤ 1µA at VOL, VOH
  • 4.5V to 5.5V operation
  • Supports fanout up to 10 LSTTL loads
  • The shift register has direct clear
  • –40°C to +125°C, TA extended ambient temperature range

Applications

  • Output expansion
  • LED matrix control
  • 7-segment display control
  • 8-bit data storage

Functional Block Diagram

Block Diagram - Texas Instruments SN74HCT595/SN74HCT595-Q1 8-Bit Shift Register
Published: 2022-03-16 | Updated: 2022-04-04