Texas Instruments SN74HCS166/SN74HCS166-Q1 Shift Registers
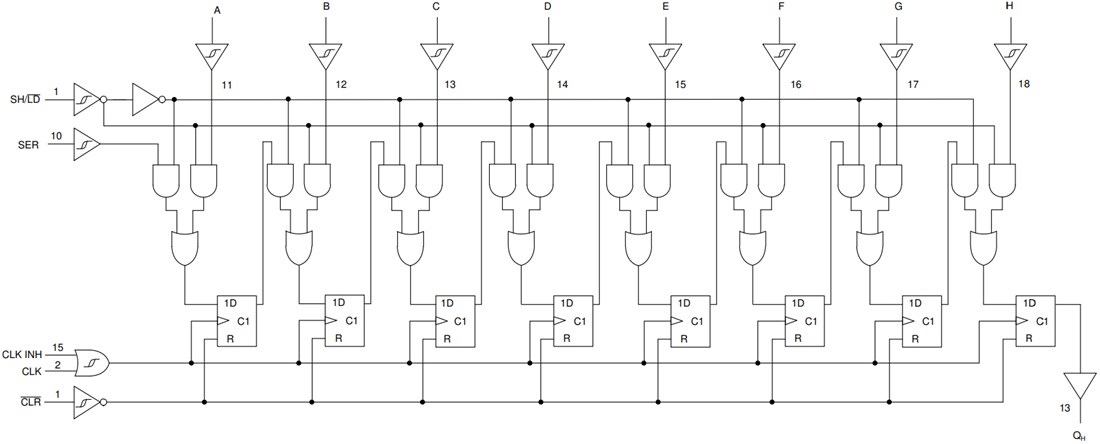
Texas Instruments SN74HCS166/SN74HCS166-Q1 8-Bit Parallel-Load Shift Registers contain an 8-bit shift register with one serial input and eight parallel-load inputs. The Texas Instruments SN74HCS166-Q1 devices are AEC-Q100 qualified for automotive applications.Features
- 2V to 6V wide operating voltage range
- Schmitt-trigger inputs allow for slow or noisy input signals
- ±7.8mA output drive at 6V
- –40°C to +125°C, TA extended ambient temperature range
- Low power consumption
- Typical ICC of 100nA
- Typical input leakage current of ±100nA
Applications
- Input expansion
- 8-bit data storage
Datasheets
Functional Block Diagram
Published: 2020-08-11
| Updated: 2024-08-01
