Texas Instruments SN74AC595/SN74AC595-Q1 8-Bit Shift Registers
Texas Instruments SN74AC595/SN74AC595-Q1 8-Bit Shift Registers include an 8-bit serial-in, parallel-out shift register that provides an 8-bit D-type storage register. This configuration allows data to be loaded into the shift register while the outputs remain static. The TI SN74AC595/SN74AC595-Q1 features 3-state outputs to facilitate the disabling of the outputs. The devices offer a separate shift register output (QH') for connecting shift registers in series. The SN74AC595-Q1 devices are AEC-Q100 qualified for automotive applications.Features
- AEC-Q100 qualified for automotive applications (SN74AC595-Q1):
- Device temperature grade 1 of -40°C to +125°C
- Device HBM ESD classification level 2
- Device CDM ESD classification level C4B
- Wide operating range of 1.5V to 6V
- Inputs accept voltages up to 6V
- Continuous ±24mA output drive at 5V
- Supports up to ±75mA output drive at 5V in short bursts
- Drives 50Ω transmission lines
- Maximum tpd of 12ns at 5V, 50pF load
Applications
- Output expansion
- LED matrix control
- 7-segment display control
Datasheets
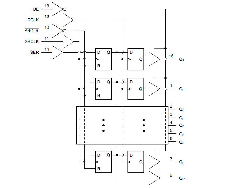
Logic Diagram (Positive Logic)
Published: 2024-07-19
| Updated: 2024-10-18
