Texas Instruments OPAx180/OPAx180-Q1 Zero-Drift Op Amps
Texas Instruments OPAx180/OPAx180-Q1 Zero-Drift Operational Amplifier uses zero-drift techniques to simultaneously provide low offset voltage (75μV) and near zero-drift (0.1μV/°C) over time and temperature. This miniature, high-precision, 525μA (max.) low quiescent current amplifier offers high input impedance, very low 1/f noise, and rail-to-rail output swing within 18mV of the rails. The input common-mode range includes the negative rail. Specified for operation from -40°C to 105°C, the OPAx180/OPAx180-Q1 Zero-Drift Operational Amplifier is well-suited for bridge amplifiers, strain gauges, test equipment, transducer applications, temperature measurement, electronic scales, medical instrumentation, resister thermal detectors, and precision active filters. The Texas Instruments OPAx180-Q1 devices are AEC-Q100 qualified for automotive applications.Features
- 75µV (max) Low Offset Voltage
- 0.1µV/°C Zero-Drift
- 10nV/√Hz Low Noise
- Low 1 / f Noise
- DC Precision
- 126dB PSRR
- 114dB CMRR
- 120dB Open-Loop Gain (AOL)
- 525µA (max) Quiescent Current
- ±2V to ±18V Wide Supply Range
- Rail-to-Rail Output (Input Includes Negative Rail)
- 250pA (typ) Low Bias Current
- RFI Filtered Inputs
- MicroSIZE Packages
Applications
- Bridge Amplifiers
- Strain Gauges
- Test Equipment
- Transducer Applications
- Temperature Measurement
- Electronic Scales
- Medical Instrumentation
- Resister Thermal Detectors
- Precision Active Filters
Datasheets
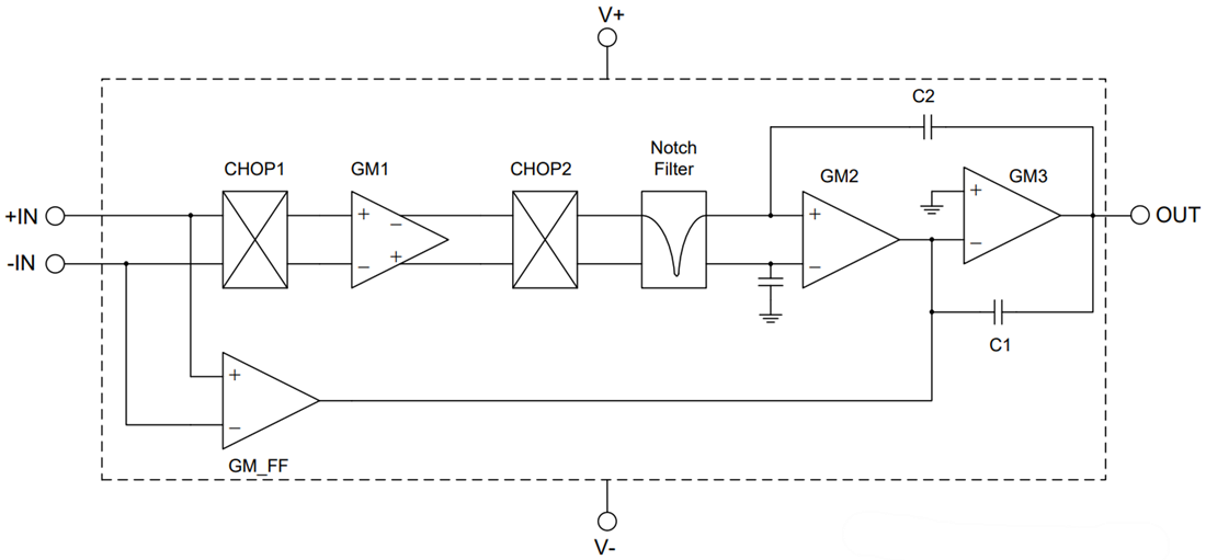
Functional Block Diagram
Published: 2014-08-28
| Updated: 2022-03-11
