Texas Instruments MSP430FR25x2 Capacitive Touch Sensing MCUs

Texas Instruments MSP430FR25x2 Capacitive Touch Sensing MCUs are ultra-low-power MSP430™ microcontrollers (MCUs) for capacitive touch sensing. These devices feature CapTIvate™ touch technology for cost-sensitive applications featuring 1 to 16 capacitive buttons or proximity sensing. The Texas Instruments MSP430FR25x2 MCUs offer value and performance for industrial applications exposed to electromagnetic disturbances, oil, water, and grease. The devices provide IEC-certified solutions with 5x lower power consumption than the competition and support proximity sensing and touch through glass, plastic, and metal overlays.

Features

  • CapTIvate™ Technology – capacitive touch
    • Performance
      • Fast electrode scanning with two simultaneous scans
      • 15cm proximity sensing
    • Reliability
      • Increased immunity to power lines, RF, and other environmental noise
      • Built-in spread spectrum, automatic tuning, noise filtering, and debouncing algorithms
      • Enables reliable touch solutions with 10V RMS common-mode noise, 4kV electrical fast transients, and 15kV electrostatic discharge, allowing for IEC-61000-4-6, IEC-61000-4-4, and IEC-61000-4-2 compliance
      • Reduced RF emissions to simplify electrical designs
      • Support for metal touch and water rejection designs
    • Flexibility
      • Up to 8 self-capacitance and 16 mutual-capacitance electrodes
      • Mix and match self- and mutual-capacitive electrodes in the same design
      • Supports multi-touch functionality
      • Wide range of capacitance detection, wide electrode range of 0 to 300pF
    • Low power
      • < 4µA wake on touch with two sensors
      • Wake-on-touch state machine allows electrode scanning while the CPU is asleep
      • Hardware acceleration for environmental compensation, filtering, and threshold detection
    • Ease of use
      • CapTIvate Design Center, PC GUI lets engineers design and tune capacitive buttons in real-time without having to write code
      • CapTIvate software library in ROM provides ample FRAM for customer application
  • Embedded microcontroller
    • 16-bit RISC architecture
    • Clock supports frequencies up to 16MHz
    • 2.0V to 3.6V wide supply voltage range 
  • Optimized ultra-low-power modes
    • Active mode: 120µA/MHz (typical)
    • Standby: < 4µA wake-on-touch with two sensors
    • Shutdown (LPM4.5): 36nA without SVS
  • Low-power Ferroelectric RAM (FRAM)
    • Up to 7.5KB of nonvolatile memory
  • Built-in Error Correction Code (ECC)
    • Configurable write protection
    • Unified memory of program, constants, and storage
    • 1015 write cycle endurance
    • Radiation resistant and nonmagnetic
    • High FRAM-to-SRAM ratio, up to 4:1
  • High-performance analog
    • Up to 8-channel 10-bit Analog-to-Digital Converter (ADC)
  • Intelligent digital peripherals
  • Enhanced serial communications with support for pin remap feature
  • Clock System (CS)
  • General input/output and pin functionality
  • Family members
    • MSP430FR2522: 7.25KB of program FRAM + 256B of information FRAM + 2KB of RAM up to 8 self-capacitive and 16 mutual-capacitive sensors
    • MSP430FR2512: 7.25KB of program FRAM + 256B of information FRAM + 2KB of RAM up to 4 self-capacitive/mutual-capacitive sensors

Applications

  • Electronic smart locks, door keypads, and readers
  • Garage door systems
  • Intrusion HMI keypads and control panels
  • Elevator call buttons
  • Personal electronics
  • Wireless speakers and headsets
  • A/V receivers
  • Appliances
  • Power tools
  • Light switches
  • Video doorbells

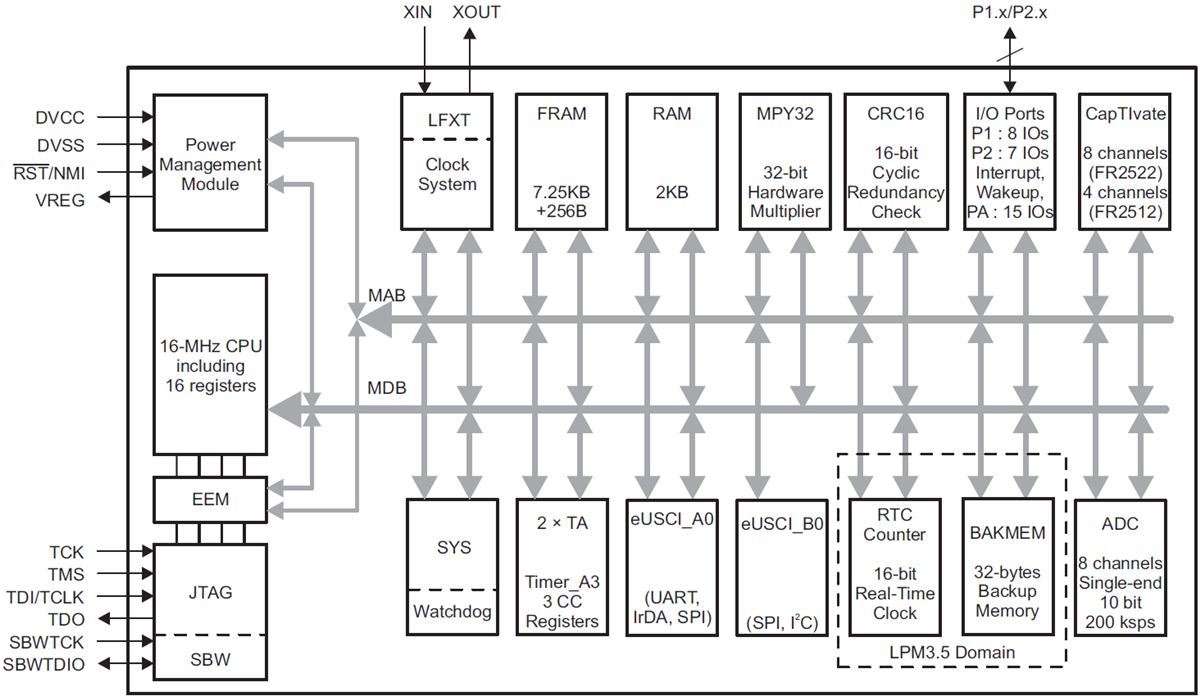
Functional Block Diagram

Block Diagram - Texas Instruments MSP430FR25x2 Capacitive Touch Sensing MCUs
Published: 2018-05-16 | Updated: 2025-04-16