Texas Instruments LMR38020/LMR38020-Q1 Buck Converter

Texas Instruments LMR38020/LMR38020-Q1 SIMPLE SWITCHER® Buck Converter is designed to regulate over a wide input voltage range, minimizing the need for external surge suppression components. The LMR38020/LMR38020-Q1 operates during input voltage dips as low as 4.2V, at nearly 100% duty cycle if needed, making it an excellent choice for wide input industrial applications and MHEV/EV systems.

The Texas Instruments LMR38020/LMR38020-Q1 uses precision enable to provide flexibility by enabling a direct connection to the wide input voltage or precise control over device start-up and shutdown. With built-in filtering and delay, the power-good flag offers an accurate indication of system status, eliminating the need for an external supervisor. The device incorporates a pseudorandom spread spectrum for minimal EMI, and the switching frequency can be configured between 200kHz and 2.2MHz to avoid noise-sensitive frequency bands. In addition, the frequency can be selected for improved efficiency at a low operating frequency or a smaller solution size at a high operating frequency.

The device has built-in protection features such as cycle-by-cycle current limit, hiccup mode short-circuit protection, and thermal shutdown in case of excessive power dissipation. The LMR38020/LMR38020-Q1 is available in an 8-pin HSOIC PowerPAD package. The LMR38020-Q1 devices are AEC-Q100 qualified for automotive applications.

Features

  • Configured for rugged industrial applications
    • 4.2V to 80V input voltage range
    • 2A continuous output current
    • Ultra-low 40µA operating quiescent current
    • > 1.5mm distance between VIN and GND pin
    • Adjustable switching frequency from 200kHz to 2.2MHz
    • Frequency synchronization to an external clock
    • Spread spectrum option for reduced EMI
    • 97% maximum duty cycle
    • Support start-up with pre-biased output
    • ±1.0% tolerance voltage reference at room temperature
    • Precision enable
    • Easy to use with a low BOM count
    • Integrated synchronous rectification
    • Internal compensation for ease of use
    • 8-pin HSOIC with PowerPAD™ package
    • PFM and forced PWM (FPWM) options
  • Functional Safety-Capable
    • Documentation available to aid functional safety system design

Applications

  • Industrial transport
  • Wireless infrastructure and networking
  • Power delivery
  • Factory automation and control

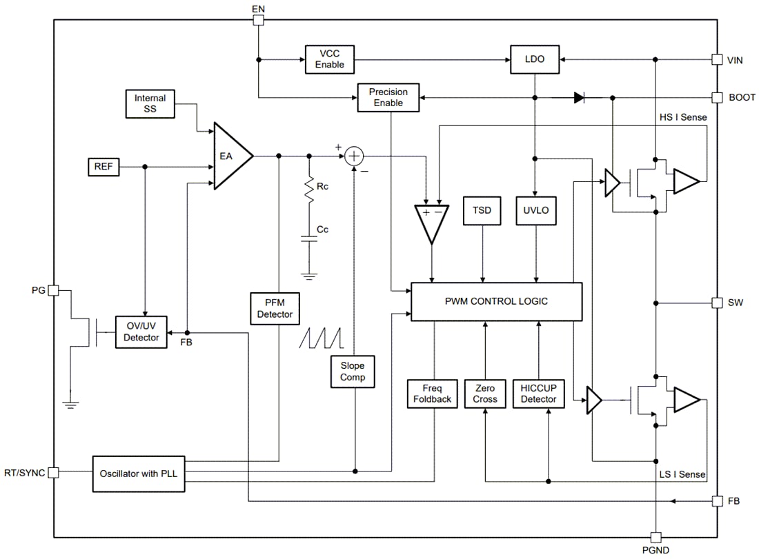
Functional Block Diagram

Block Diagram - Texas Instruments LMR38020/LMR38020-Q1 Buck Converter
Published: 2022-04-06 | Updated: 2023-06-22