Texas Instruments ISOW774x/ISOW774x-Q1 Quad-Ch Digital Isolators
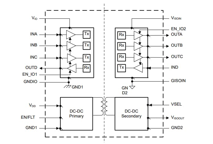
Texas Instruments ISOW774x/ISOW774x-Q1 Quad-Channel Digital Isolators are galvanically isolated with an integrated high-efficiency power converter producing low emissions. The integrated DC-DC converter supports up to 550mW of isolated power, eliminating the need for a separate isolated power supply in space-constrained isolated designs. TI ISOW774x/ISOW774x-Q1 Quad-Channel Digital Isolators feature high electromagnetic immunity while isolating CMOS or LVCMOS digital I/Os. The isolators help prevent noise currents on data buses, such as UART, SPI, RS-485, RS-232, CAN, or other circuits, from entering the local ground and interfering with or damaging sensitive circuitry. The ISOW774x/ISOW774x-Q1 is housed in a 20-pin SOIC wide-body (SOIC-WB) DFM package and allows for operation at a wide operating ambient temperature range of –40°C to +125°C.Features
- Qualified for automotive applications
- AEC-Q100 qualified with the following results:
- Device temperature Grade 1 of –40°C to +125°C ambient temperature range
- Integrated DC-DC converter with low-emissions, low-noise
- Emission optimized to meet CISPR 32 and EN 55032 Class B with >5dB margin on 2 layer board
- Low-frequency power converter at 25MHz enabling low noise performance
- 24mV Low output ripple
- High-efficiency output power
- 46% Efficiency at max load
- Up to 0.55W output power
- VISOOUT accuracy of 5%
- 5V to 5V: Max available load current = 110mA
- 5V to 3.3V: Max available load current = 140mA
- 3.3V to 3.3V: Max available load current = 60mA
- Independent power supply for channel isolator and power converter
- Logic supply (VIO) of 1.71V to 5.5V
- Power converter supply (VDD) of 3V to 5.5V
- 100Mbps data rate
- Robust electromagnetic compatibility (EMC)
- System-level ESD, EFT, and surge immunity
- ±8kV IEC 61000-4-2 contact discharge protection across the isolation barrier
- Reinforced and Basic isolation options
- 100kV/µs (typical) High CMTI
- Safety-Related Certifications (Planned):
- VDE reinforced and basic insulation per DIN VDE V 0884-11:2017-01
- UL 1577 component recognition program
- IEC 62368-1, IEC 61010-1, IEC 60601-1 and GB 4943.1-2011 certifications
- Extended temperature range of –40°C to +125°C
- 20-pin wide-body SOIC package
Applications
- Factory automation
- Motor control
- Grid infrastructure
- Medical equipment
- Test and measurement
Videos
Simplified Schematic
Datasheets
Published: 2022-03-31
| Updated: 2023-05-17
