Texas Instruments ESD204 TVS ESD Protection Diode Array

Texas Instruments ESD204 TVS ESD Protection Diode Array is a bidirectional array designed for HDMI and USB surge protection up to 5.5A (8/20µs). The ESD204 is rated to dissipate ESD strikes at the maximum level specified in the IEC 61000-4-2 international standard (Level 4). The low clamping and high differential bandwidth provided by ESD204 enables the device to cleanly pass high-speed signals while providing robust protection to downstream devices. The Texas Instruments ESD204 has a low capacitance of 0.55pF per channel, making it suitable for protecting high-speed interfaces up to 6Gbps, such as HDMI 2.0, HDMI 1.4, USB 3.0, and Ethernet 1G. The low dynamic resistance and low clamping voltage ensure system-level protection against transient events.

Features

  • IEC 61000-4-2 Level 4 ESD protection
    • ±30kV contact discharge
    • ±30kV air gap discharge
  • IEC 61000-4-4 EFT protection
    • 80A (5/50ns)
  • IEC 61000-4-5 surge protection
    • 5.5A (8/20µs)
    • Low surge clamping voltage of 8.5V at 5.5A IPP
  • IO capacitance
    • 0.55pF (typical)
  • HDMI 2.0 compliant
  • 5.5V (minimum) DC breakdown voltage 
  • 10nA (maximum) ultra-low leakage current 
  • Supports high-speed interfaces up to 6Gbps
  • –40°C to +125°C industrial temperature range 
  • Easy flow-through routing package

Applications

  • End equipment
    • IP network camera
    • DVR and NVR
    • Ethernet switches and routers
    • Laptops and desktops
    • Set-top boxes
    • TV and monitors
    • Mobile and tablets
  • Interfaces
    • HDMI 2.0
    • HDMI 1.4
    • USB 3.0
    • Display Port 1.3
    • PCI Express 3.0
    • Ethernet 10/100/1000 Mbps

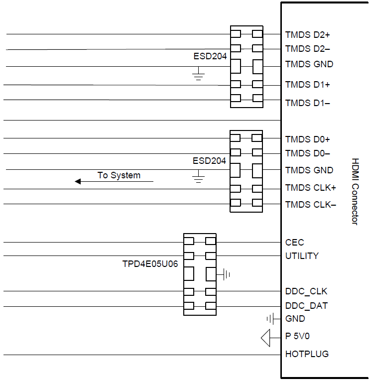
Typical Application Schematic

Schematic - Texas Instruments ESD204 TVS ESD Protection Diode Array
Published: 2018-05-21 | Updated: 2023-01-17