Texas Instruments DRV8833C Dual H-Bridge Motor Drivers
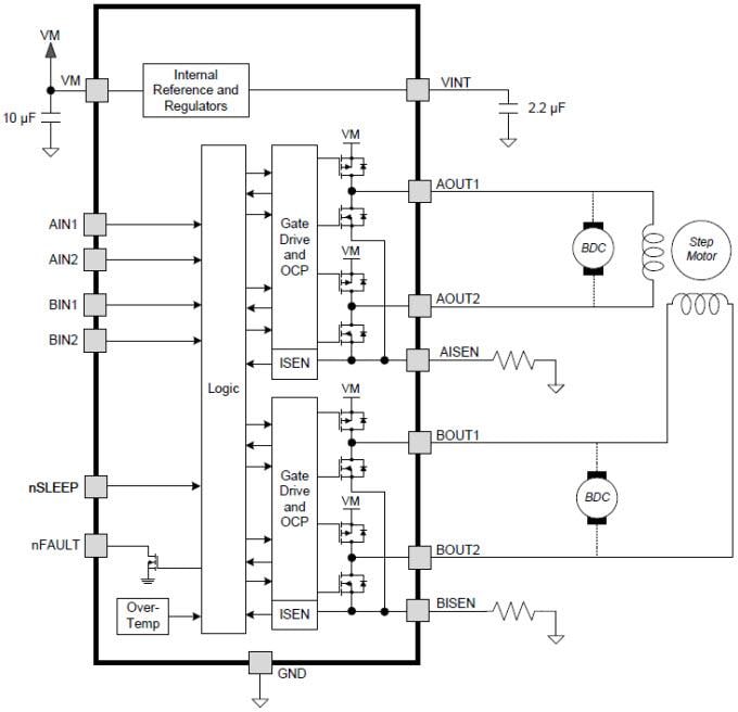
Texas Instruments DRV8833C Dual H-Bridge Motor Drivers provide a dual-bridge motor driver solution for toys, printers, and other mechatronic applications. The device has two H-bridges and can drive two DC brushed motors, a bipolar stepper motor, solenoids, or other inductive loads. Each H-bridge output consists of a pair of N-channel and P-channel MOSFETs, with circuitry that regulates the winding current. With proper PCB design, each H-bridge of the DRV8833C can drive up to 700mA RMS (or DC) continuously, at 25°C with a VM supply of 5V. The device can support peak currents of up to 1A per bridge. Current capability is reduced slightly at lower VM voltages. Internal shutdown functions with a fault output pin are provided for overcurrent protection, short-circuit protection, UVLO, and overtemperature. A low-power sleep mode is also provided.Features
- Dual H-Bridge Motor Driver With Current Control
- 1 or 2 DC Motors or 1 Stepper Motor
- Low On-Resistance: HS + LS = 1735mΩ (Typical, 25°C)
- Output Current Capability (at VM = 5V, 25°C)
- PWP (HTSSOP) Package
- 0.7A RMS, 1A Peak per H-Bridge
- 1.4A RMS in Parallel Mode
- RTE (QFN) Package
- 0.6A RMS, 1A Peak per H-Bridge
- 1.2A RMS in Parallel Mode
- PWP (HTSSOP) Package
- Wide Power Supply Voltage Range
- 2.7 to 10.8V
- Integrated Current Regulation
- Easy Pulse-Width-Modulation (PWM) Interface
- 1.6µA Low-Current Sleep Mode (at 5V)
- Small Package and Footprint
- 16 HTSSOP (PowerPAD™) 5.00 × 6.40mm
- 16 QFN (PowerPAD) 3.00 × 3.00mm
- Protection Features
- VM Undervoltage Lockout (UVLO)
- Overcurrent Protection (OCP)
- Thermal Shutdown (TSD)
- Fault Indication Pin (nFAULT)
Applications
- Point-of-Sale Printers
- Video Security Cameras
- Office Automation Machines
- Gaming Machines
- Robotics
- Battery-Powered Toys
Functional Block Diagram
Published: 2014-12-04
| Updated: 2023-03-14
