Texas Instruments DLP3021LEQ1EVM Evaluation Module (EVM)

Texas Instruments DLP3021LEQ1EVM Evaluation Module (EVM) is a complete electronic and optical subsystem designed to control and interface with the DLP3021-Q1 chipset. The DLP3021-Q1 interfaces with an FPGA-based digital micromirror device (DMD) controller. This chipset is combined with illumination and projection optics as well as RGB LEDs to create a projector that offers brightness up to 30lumens with full-motion video playback in a small volume form factor. The Texas Instruments DLP3021LEQ1EVM is not a production design and is intended for evaluation only.

Features

  • Compact light engine targeted for dynamic ground projection applications
  • Capable of displaying stored images and full-motion video
  • Brightness up to 30lumens
  • Total power consumption under 3.5W

Kit Contents

  • DLP3021LEQ1EVM evaluation module
  • USB to SPI cable
  • SPI adapter PCB
  • Power and SPI cables

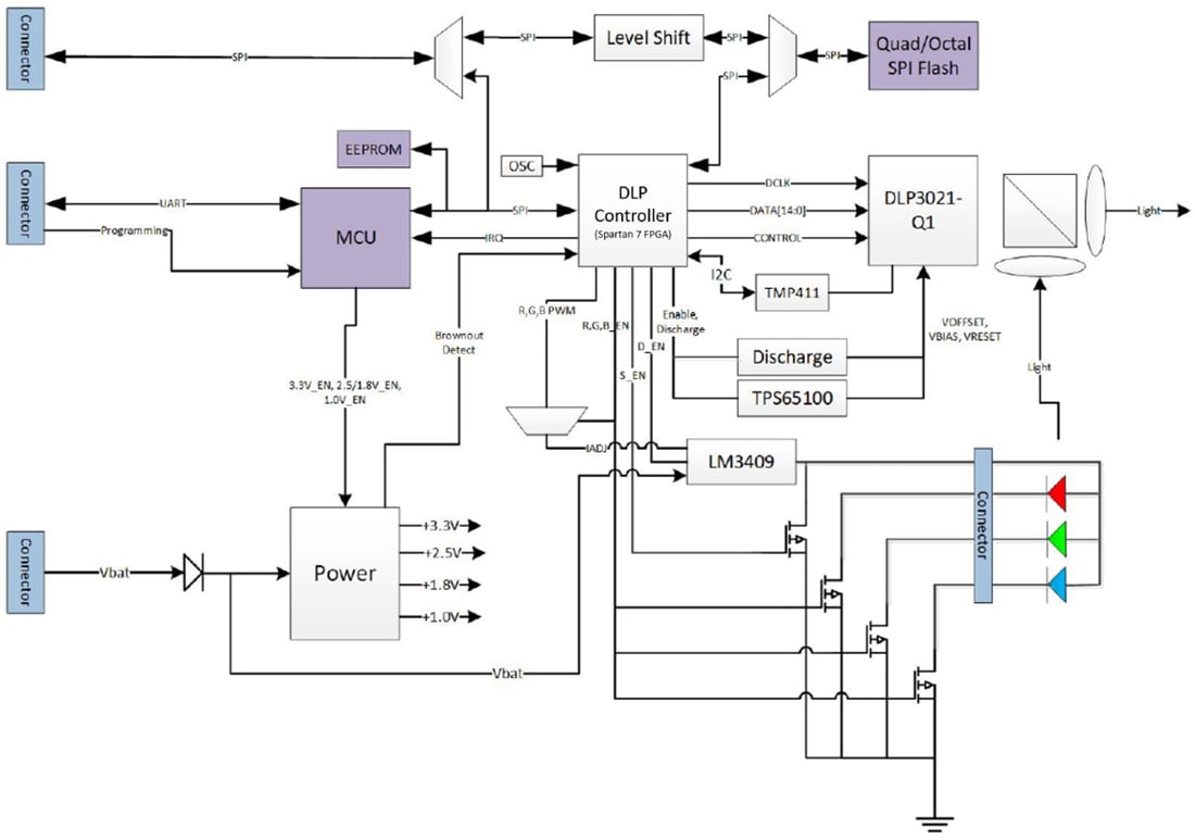
Block Diagram

Block Diagram - Texas Instruments DLP3021LEQ1EVM Evaluation Module (EVM)
Published: 2021-04-13 | Updated: 2025-04-21