Texas Instruments bq79758-Q1 18S Battery Monitor & Balancer
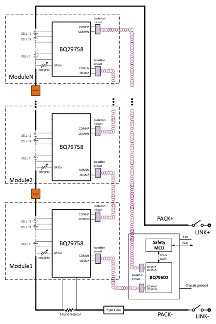
Texas Instruments bq79758-Q1 18S Battery Monitor and Balancer provides high-accuracy cell voltage measurements for up to 18S battery modules in high-voltage battery management systems in xEV/EV. The monitor offers different channel options in the same package type, providing pin-to-pin compatibility and supporting high reuse of the established software and hardware across any platform. This device has a state-of-the-art ADC architecture/measurement system, meeting stringent automotive standards and safety requirements. With the daisy chain isolated by a transformer (or capacitor), the Texas Instruments bq79758-Q1 is suitable for centralized or distributed architectures in an xEV powertrain.Features
- AEC-Q100 qualified with the following results
- Device temperature grade 1
- -40°C to +125°C ambient operating temperature range
- Functional safety-compliant
- Documentation to aid ISO 26262 system design
- Systematic capability up to ASIL D
- Hardware capability up to ASIL D
- Measure 9 to 18 batteries in series per device, stackable up to 64 devices
- Dedicated ADC with typical ±1mV accuracy
- Two independent current sense ADCs with ±0.1% gain error drift and input range +/-275mV
- Programmable over-current detection comparators
- Support limp home mode with full redundancy
- Integrated post-ADC configurable digital low-pass filters
- Supports busbar without affecting measurement accuracy
- 10 GPIOs for temp sensor/analog/digital/I2C controller/SPI controller
- Internal cell balancing
- Balancing at 300mA
- User-controlled PWM adjustment cell balancing current
- Built-in balancing thermal management with automatic pause and resume control
- Robust daisy chain communication and support for Ring Architecture
- Hardware reset by the host simulates a POR-like event without battery removal
- On-chip memory for one-time custom programming
- Low power mode current of < 6µA
- Compatible with bq79600-Q1 with SPI/UART interface
Applications
- Battery Management System (BMS) in hybrid and electric powertrain systems
- Energy storage battery packs with Battery Management Systems
Simplified System Diagram
Additional Resources
Published: 2024-10-16
| Updated: 2025-05-09
