TE Connectivity / CII FC-335 General Purpose Relays
TE Connectivity's CII FC-335 General Purpose Relays are non-latching hermetically sealed coil type with 3PST (three-pole single-throw) or NO (security contacts) form. TE's FC-335 high-voltage relays are available in solder hook and screw contact terminals with 28VDC coil voltage suppressed. These relays' main contacts are suitable for use in 360Hz to 800Hz variable frequency applications. The FC-335 relays feature 80000 feet altitude, 3-pole 35A contacts, 1.5inch3 switching, and 50g/11ms shock. These general-purpose relays operate at -70°C to +125°C temperature range. The FC335 relays are designed with corrosion-protected metal can, all-welded construction, and built in accordance to MIL-PRF-6106.Features
- 3-pole 35A contacts
- 28VDC and 115VAC coils
- 1.5"3 switching
- 80,000 feet altitude
- 50g/11ms shock
- 2ms maximum bounce time at a nominal voltage
- -70°C to +125°C temperature range
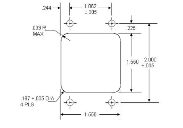
Solder Hook Mounting Layout
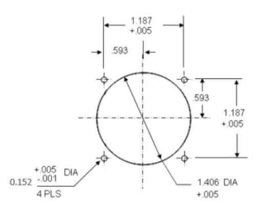
Screw Mounting Layout
View Results ( 8 ) Page
| Part Number | Contact Termination | Switching Voltage | Coil Voltage | Height | Datasheet |
|---|---|---|---|---|---|
| FC-335-CW4 | Solder Hook | 115 VAC, 28 VDC | 28 VDC | 1.68 in | ![]() |
| FC-335-CW3 | Solder Hook | 115 VAC, 28 VDC | 28 VDC | 1.68 in | ![]() |
| FC-335-SY4 | Screw | 115 VAC, 28 VDC | 28 VDC | 2.41 in | ![]() |
| FC-335-SY9 | Screw | 115 VAC, 28 VDC | 115 VAC | 2.41 in | ![]() |
| FC-335-CW8 | Solder Hook | 115 VAC, 28 VDC | 115 VAC | 1.68 in | ![]() |
| FC-335-CW9 | Solder Hook | 115 VAC, 28 VDC | 115 VAC | 1.68 in | ![]() |
| FC-335-SY8 | Screw | 200 VAC | 115 VAC | 2.41 in | ![]() |
| FC-335-SY3 | Screw | 115 VAC, 28 VDC | 28 VDC | 2.41 in | ![]() |
Published: 2017-12-27
| Updated: 2023-05-04

