STMicroelectronics STPMIC1 Power Management IC

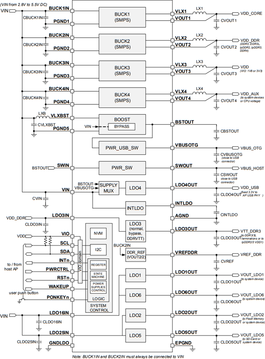
STMicroelectronics STPMIC1 Power Management IC is a fully integrated PMIC designed for products based on highly integrated application processor designs requiring low power and high efficiency. The STPMIC1 PMIC integrates advanced low-power features controlled by a host processor via I2C and IO interfaces. This PMIC integrates four synchronous step-down converters optimized for high efficiency. To improve transient response, the converters use an adaptive Constant On-Time (COT) Controller with a nominal switching frequency of 2MHz. The device also incorporates Low Dropout (LDO) Regulators to supply power to the application processorande external system peripherals such as DDR memory, flash memory, and other system devices.

The Boost Converter of the STPMIC1 can power up to three USB ports (two 500mA host USB and one 100mA USB OTG). The advanced bypass architecture of the STPMIC1 allows the smooth regulation of VBUS for USB ports from a battery as well as consumer 5V AC-DC adapters.

The STPMIC1 Power Management IC is offered in a WFQFN-44L package, with an operating ambient temperature range of -40°C to +105°C.

Features

  • 2.8V to 5.5V input voltage range
  • 4x adjustable general-purpose LDOs
  • 1x LDO for DDR3 termination (sink-source), bypass mode for low-power DDR, or as a general-purpose LDO
  • 1x LDO for USB PHY supply with automatic power source detection
  • 1x reference voltage LDO for DDR memory
  • 4x adjustable adaptive Constant On-Time (COT) buck SMPS converters
  • 5.2V/1.1A boost SMPS with bypass mode for 5V input or battery input
  • 1x 500mA USB OTG-compliant power switch
  • 1x 500mA/1000mA general-purpose power switch
  • User-programmable non-volatile memory (NVM), enabling scalability to support a wide range of applications
  • I2C and digital I/O control interfaces
  • -40°C to +105°C operating ambient temperature range
  • WFQFN-44L package type
  • 5mm x 6mm x 0.8mm package size

Applications

  • Power management unit companion chip for STM32MP1 microcontroller
  • Power management for embedded microprocessors
  • Wearables and IoT
  • Portable devices
  • Human Machine Interfaces (HMI)
  • Smart homes

Videos

Buck Block Diagram

Block Diagram - STMicroelectronics STPMIC1 Power Management IC

Boost & Switch Block Diagram

Block Diagram - STMicroelectronics STPMIC1 Power Management IC

Application Schematic

Schematic - STMicroelectronics STPMIC1 Power Management IC
Published: 2019-08-20 | Updated: 2026-01-14