STMicroelectronics STGAP4S Isolated Gate Drivers

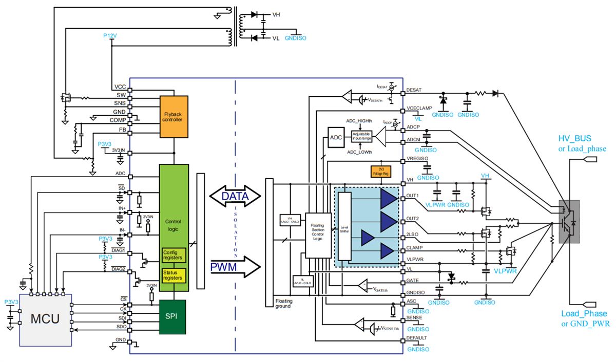
STMicroelectronics STGAP4S Isolated Gate Drivers are galvanically isolated single gate drivers for IGBTs and SiC MOSFETs with advanced protection, configuration, and diagnostic features. These drivers' architecture isolates the channel gate driving from the control and the low-voltage interface circuitry through true galvanic isolation. The STGAP4S drivers integrate a temperature sensor and a controller for an isolated flyback power supply that generates positive and negative gate driver supply voltages. The open drain diagnostic outputs are present, and detailed device conditions can be monitored through the SPI. Each function’s parameter can be programmed via the SPI, making the device very flexible and allowing it to fit in a wide range of applications. The STGAP4S gate drivers are used in inverters for Electric Vehicles (EVs), industrial inverters, EV charging stations, UPS equipment, solar inverters, AC/AC converters, and DC/DC converters.

Features

  • AEC-Q100 qualified
  • High voltage rail up to 1200V
  • Two output pins for direct driving of external MOSFET buffer
  • Driver current capability:
    • OUT1: 0.6/2.5A sink/source
    • OUT2: 2.4/0.6A sink/source
  • Negative gate drive ability
  • dv/dt transient immunity ±100V/ns in full temperature range
  • Integrated controller for isolated flyback power supply
  • Active Miller clamp driver for external N‑channel MOSFET
  • Programmable desaturation detection
  • Programmable overcurrent detection
  • Programmable Undervoltage Lockout (UVLO) and Overvoltage Lockout (OVLO) on each supply
  • Programmable input deglitch filter
  • Soft turn-off
  • VCE active clamp
  • Two diagnostic status outputs
  • Asynchronous stop command
  • Isolated 8-bit A/D converter
  • Integrated temperature sensor
  • Programmable deadtime, with violation error
  • SPI interface for parameters programming and extended diagnostic
  • Temperature warning and shutdown protection
  • Self-diagnostic routines for protection features

Applications

  • Inverters for EV/HEV
  • 600/1200V industrial inverters
  • EV charging stations
  • UPS equipment
  • AC/AC converters
  • DC/DC converters
  • Solar inverters

Block Diagram

Block Diagram - STMicroelectronics STGAP4S Isolated Gate Drivers

Typical Application Circuit

Application Circuit Diagram - STMicroelectronics STGAP4S Isolated Gate Drivers

Videos

Published: 2024-03-15 | Updated: 2025-08-12