STMicroelectronics STEVAL-MKI195V1 Adapter Board

STMicroelectronics STEVAL-MKI195V1 Adapter Board is designed to facilitate the evaluation of the MEMS devices in the LSM6DSRX system-in-package. This adapter board provides an effective solution for fast system prototyping and device evaluation. The STEVAL-MKI195V1 adapter board incorporates the complete LSM6DSRX pin-out and is ready to use with the decoupling capacitors on the VDD power supply line. This adapter board is supported by the STEVAL-MKI109V3 motherboard that offers a high-performance 32-bit microcontroller.

Features

  • Complete LSM6DSRX pinout for a standard DIL 24 socket
  • Facilitates the evaluation of the MEMS devices
  • Fully compatible with the STEVAL-MKI109V3 motherboard
  • Allows changing the resistor settings
  • WEEE and RoHS compliant

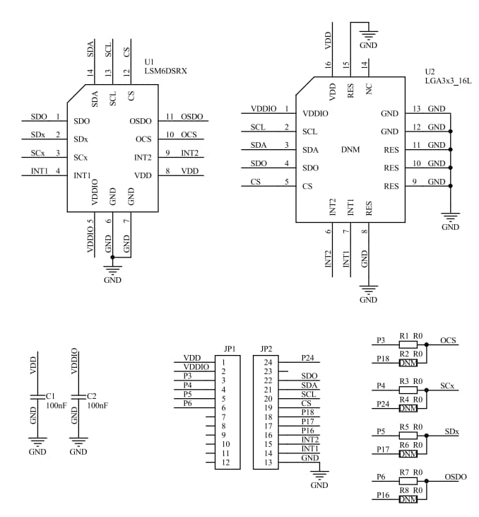
Schematic Diagram

Schematic - STMicroelectronics STEVAL-MKI195V1 Adapter Board
Published: 2019-10-22 | Updated: 2024-02-20