STMicroelectronics ST-ONE Digital Controllers
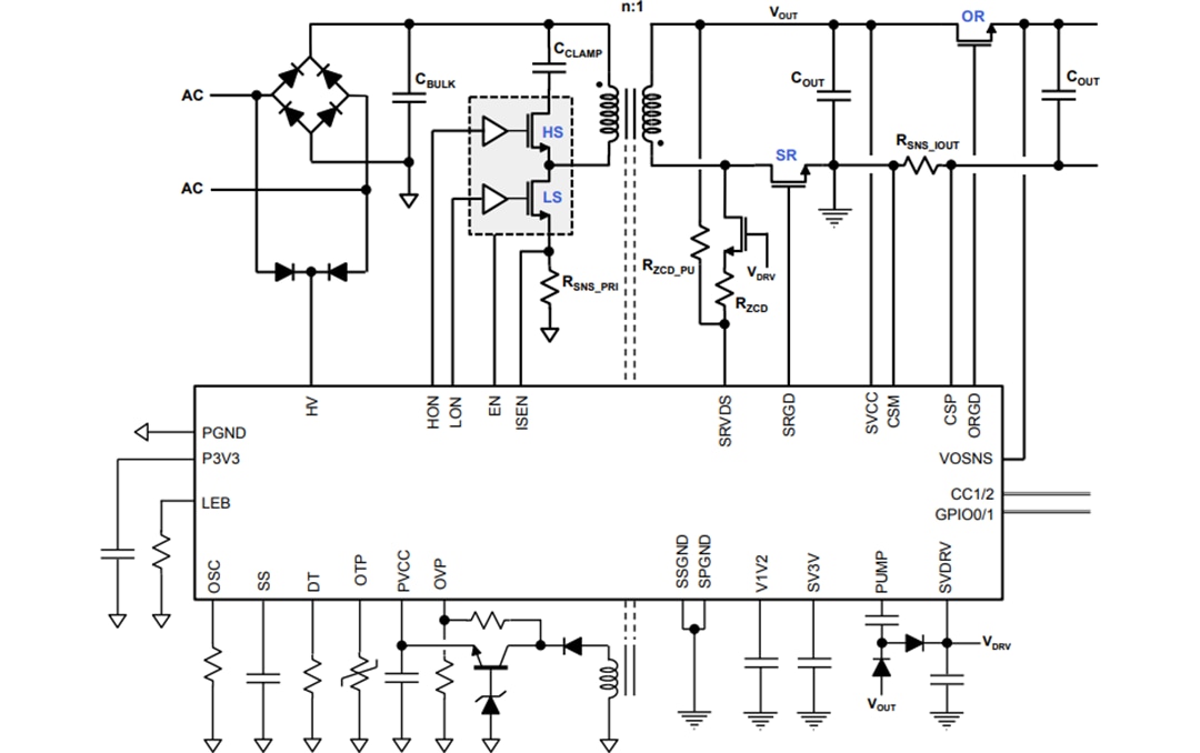
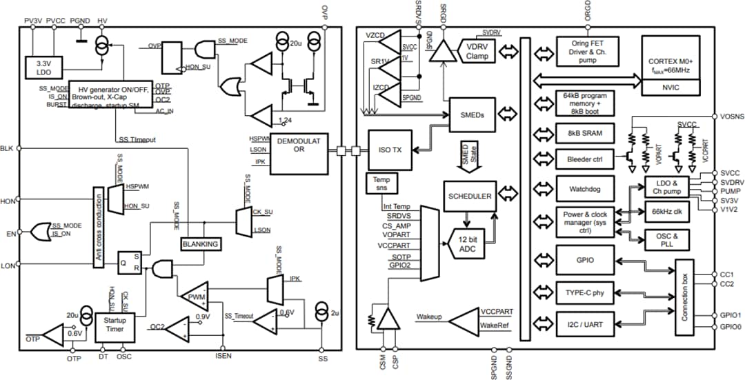
STMicroelectronics ST-ONE Digital Controllers combine an ARM Cortex M0+ core, an offline programmable controller, and USB PD PHY in a single package. The system is designed to control ZVS non-complementary active clamp flyback converters. This creates high-power-density battery chargers and adapters with a USB-PD interface. The devices include an active clamp flyback controller and its HV startup on the primary side. It also includes a microcontroller and all the peripherals required to control the conversion and the USB-PD communication on the secondary side. The two sides are connected through an embedded galvanically isolated dual communication channel. The STMicroelectronics ST-ONE Digital Controllers are housed in a compact SSOP-36 package ideal for space-constrained applications.The ST-ONEHP devices are specifically designed to control high-power-density USB-PD 3.1 EPR-compliant chargers and adapters. These digital controllers are pre-loaded with firmware that handles both the power conversion and the USB-PD 3.1 EPR communication protocols.
Features
- Non-complementary Active clamp flyback topology allows reaching high power (65W and more) with higher efficiency with respect to QR flyback
- High power
- High-frequency operations, together with GaN FET usage allow a magnetic component to be a smaller size
- Small weight and size
- High level of integration reduces total BOM
- Cortex-M0+ core with 64kB embedded flash allows customization of both the USB-PD protocol and the power conversion stage
- Easy customization
- The ST-ONE is provided with USB-PD 3.1 PPS certified firmware pre-loaded into the flash memory, a turnkey solution for standard applications
- SSOP-36 package
Applications
- USB-PD chargers and adapters up to 100W
- Smartphones
- Tablets
- Laptops
- Handheld equipment
Block Diagram
Typical Application Diagram
Package Outline
Published: 2022-06-02
| Updated: 2024-01-31
