STMicroelectronics MC33078 Low Noise Dual Operational Amplifiers

STMicroelectronics MC33078 Low Noise Dual Operational Amplifiers are great for audio applications and have a 4.5nV/√Hz low voltage noise. The MC33078 also have a 15MHz high-gain bandwidth and 7V/μs high slew rate. These amplifiers have a very low 0.002% distortion, excellent phase/gain margins and output stage that allows a large output voltage swing. The stage also allows a symmetrical source and sink currents.

Features

  • Low voltage noise of 4.5nV/√Hz
  • High gain-bandwidth product of 15MHz
  • High slew rate of 7V/μs
  • Low distortion of 0.002%
  • Large output voltage swing of +14.3V / -14.6V
  • Low input offset voltage
  • Excellent frequency stability
  • ESD protection 2kV
  • Macro model included in this specification
  • Package options of DIP-8, SO-8

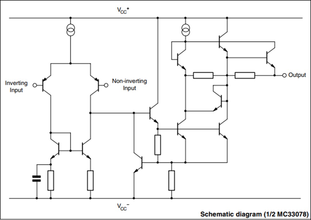
Schematic Diagram

Schematic - STMicroelectronics MC33078 Low Noise Dual Operational Amplifiers
Published: 2016-01-19 | Updated: 2022-03-11