STMicroelectronics BALF-SPI-0xD3 Balun Transformers
STMicroelectronics BALF-SPI-0xD3 Balun Transformers ultra-miniature baluns that integrate matching network and harmonic filters. These baluns are conjugate matches for the SPIRIT1 transceiver with customized 50Ω matching impedance. The BALF-SPI-0xD3 baluns use IPD technology on a non-conductive glass substrate which optimizes RF performance.Features
- 50Ω nominal input/conjugate match to Spirit1
- Low insertion loss
- Low amplitude imbalance
- Low phase imbalance
- Small footprint
- Very low profile (<670μm)
- High RF performance
- RF BOM and area reduction
Applications
- BALF-SPI-01D3:
- 868MHz and 915MHz impedance matched balun filter
- Optimized for SPIRIT1 sub GHz RFIC
- BALF-SPI-02D3:
- 434MHz impedance matched balun filter
- Optimized for ST chipset SPIRIT1
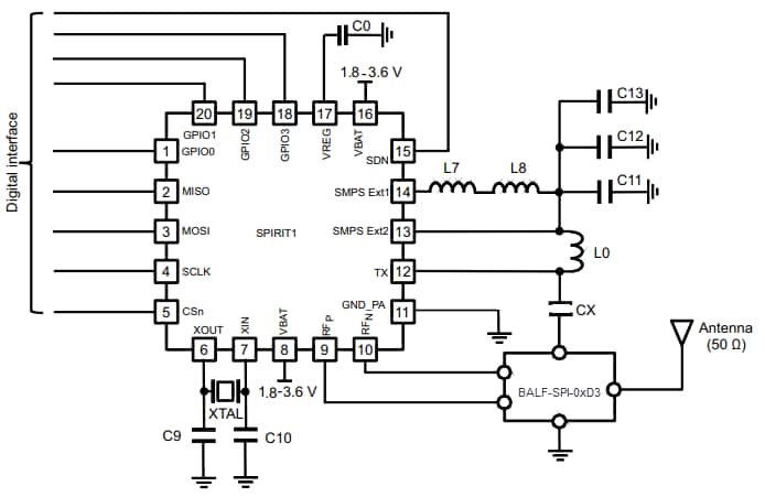
BALF-SPI-0xD3 Application Circuit
Published: 2014-02-19
| Updated: 2022-03-11
