STMicroelectronics ACEPACK™ IGBT Modules

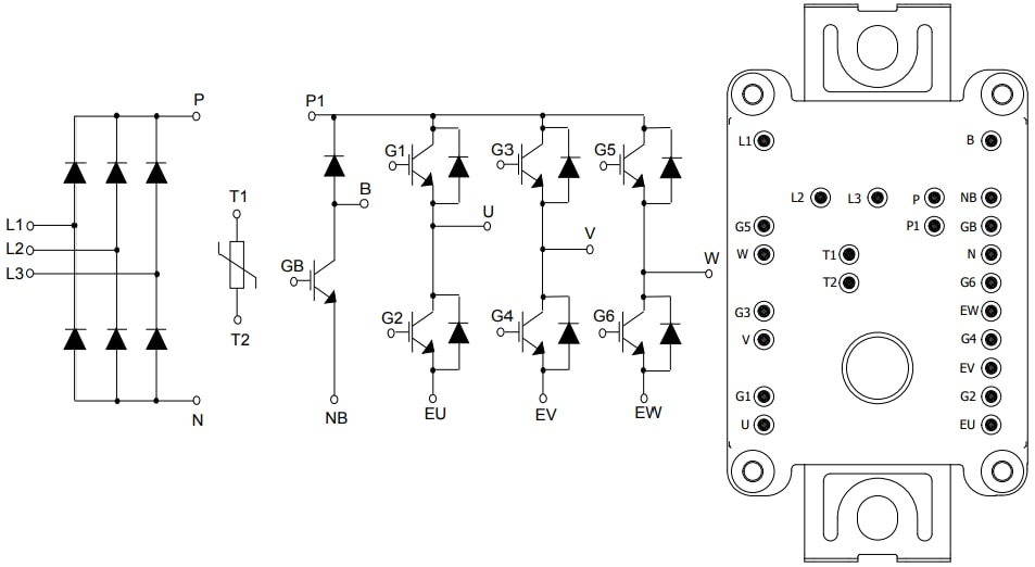
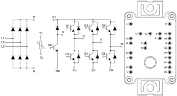
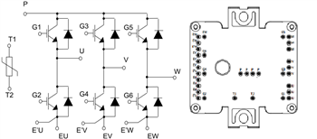
STMicroelectronics​ ACEPACK™ IGBT Modules are a family of new plastic power modules developed to address power management solutions and industrial applications. The ACEPACK™ 1 and ACEPACK™ 2 packages are introduced with both Converter Inverter Brake (CIB) and six-pack topologies that integrate the advanced trench-gate field-stop technologies. These ACEPACK IGBT-modules feature ACEPACK 1 or ACEPACK 2 power modules, integrated Negative Temperature Coefficient (NTC), and CIB or six-pack topology. These modules cover the appropriate use of the new IGBT-technology by representing the best compromise between conduction and switching-loss to maximize efficiency by 20kHz. These IGBT modules are ideal for application in industrial motor drives, solar panels, welding, and inverters.

Features

  • Direct Bonded Copper (DBC) Cu Al2O3 Cu
  • Converter Inverter Brake (CIB) topology:
    • 1600V blocking voltage
    • 1200V, 25A IGBTs  and  diodes
    • 1.95VCE(sat) @ IC=25A
    • Soft and fast recovery diode
  • Sixpack topology:
    • 1200V, 35A IGBTs  and  diodes
    • 1.95VCE(sat) @ IC=35A
  • Soft and fast recovery diode
  • Integrated NTC

Applications

  • Inverters
  • Motor drives
  • Solar panels
  • Welding

Schematics

Videos

Published: 2018-01-02 | Updated: 2023-01-31