Semtech GS3281 3G-SDI Re-timing Cable Drivers

Semtech GS3281 3G-SDI Re-timing Cable Drivers are low-power and multi-rate re-timing devices. These devices are designed to receive 100Ω differential input signals that automatically recover the embedded clock from the digital video signal. The Semtech drivers re-time the incoming data and transmit the re-timed signal over 75Ω coaxial cable. The integrated eye monitor provides a non-disruptive mission mode analysis, and the 256 x 128 resolution scan matrix allows accurate signal analysis. These equalizers include built-in macros that enable customizable cross-section analysis and quick horizontal and vertical eye-opening measurements. The GS3281 drivers are pin-compatible with the GS12181, GS12281 single input, and the GS12182 dual input 12G UHD-SDI multi-rate Re-timing cable driver. These GS3281 drivers are ideally used in cameras, switchers, distribution amplifiers, and routers.

Features

  • Dual non-inverted 75Ω cable interface with on-chip termination
  • SMPTE ST 424, ST 292-1, and ST 259 compliant input/output
  • 1Mb/s to 2.97Gb/s multi-standard operation
  • In addition to standard SMPTE rates, the device also supports re-timing of DVB-ASI at 270Mb/s, and MADI at 125Mb/s
  • Cable driver
    • Wide swing control
    • Pre-emphasis to compensate for significant insertion loss between device output and BNC
    • Automatic/manual output slew rate control
    • Manual or automatic re-timer bypass
    • Manual or automatic mute or disable on LOS
  • Trace equalizer
    • Integrated 100Ω, differential input termination
    • Automatic power down on loss of signal
    • Adjustable carrier detect threshold
    • DC-coupling from 1.2V to 2.5V CML logic
    • Trace equalization to compensate for up to 60" FR4 at 2.97Gb/s
    • Automatic input offset compensation
  • CDR
    • Manual or automatic rate modes
    • Wide loop bandwidth control
    • 125Mb/s, 270Mb/s, 1.485Gb/s, and 2.97Gb/s re-timing

Applications

  • Cameras
  • Switchers
  • Distribution amplifiers
  • Routers

Block Diagram

Block Diagram - Semtech GS3281 3G-SDI Re-timing Cable Drivers

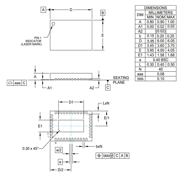
Dimensions

Mechanical Drawing - Semtech GS3281 3G-SDI Re-timing Cable Drivers
Published: 2019-10-14 | Updated: 2023-06-15