MaxLinear MxL8343x Quad RS-485/422 Receivers

MaxLinear MxL8343x Quad RS-485/422 Receivers are designed to support up to 80Mbps communication in harsh industrial environments. These devices feature a 3.3V to 5V supply voltage range, 128 bus nodes, and an extended operation common-mode range of ±15V. The bus pins tolerate IEC Electrical Fast Transients (EFT) and IEC Electrostatic Discharge (ESD). The MxL8343x receivers meet or exceed the requirements of the TIA/EIA-485A and EIA/TIA-422B standards. These receivers provide glitch-free power-up/power-down for hot swap capability and fail-safe open receiver (Rx) inputs. The MxL8343x receivers offer low channel-to-channel propagation delay skew to ensure maximum system performance. Typical applications include level translators, smart grid, telecommunication equipment, industrial transport, high-performance motor drives, and industrial and process control equipment.  

Features

  • Meets or exceeds the requirements of the TIA/EIA-485A and EIA/TIA-422B standards
  • Supply voltages:
    • 3.3V to 5V (MxL83435 and MxL83436)
    • 5V (MxL83437 and MxL83438)
  • Extended operation common-mode range of ±15V
  • Fail-safe open receiver (Rx) inputs
  • 1/4 unit load (128 bus nodes)
  • Glitch-free power-up/power-down for hot swap capability
  • Low channel-to-channel propagation delay skew
  • Available in global or paired enable configurations
  • -40°C to 125°C extended operating temperature range
  • High data rates:
    • up to 65Mbps (MxL83435 and MxL83436)
    • Up to 80Mbps (MxL83437 and MxL83438)
  • Robust system protections:
    • ±4kV EFT (IEC 61000-4-4)
    • ±12kV ESD Contact (IEC 61000-4-2)
    • ±15kV ESD Human Body Model (HBM)

Applications

  • Industrial and process control equipment
  • Level translators
  • Telecommunication equipment
  • High-performance motor drives
  • Smart grid
  • Industrial transport

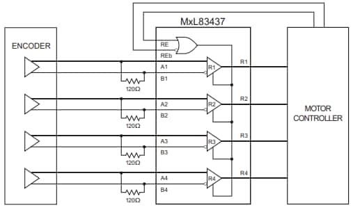
Typical Application Schematic

Schematic - MaxLinear MxL8343x Quad RS-485/422 Receivers

Performance

Chart - MaxLinear MxL8343x Quad RS-485/422 Receivers
Published: 2025-06-24 | Updated: 2025-07-02