ROHM Semiconductor RB-D62Q1325MB16 Reference Board

ROHM Semiconductor RB-D62Q1325MB16 Reference Board is designed to showcase the capabilities of the LAPIS ML62Q1325, a 16-bit RISC CMOS microcontroller optimized for low-power and high-performance applications. This reference board provides a versatile platform for developers to prototype embedded systems that require efficient processing and real-time control. Powered by the ML62Q1325, the board features internal flash memory and RAM, with the option for external memory, making it suitable for a range of applications. It supports various I/O interfaces, including analog-to-digital converters (ADC), timers, and common communication protocols like UART, SPI, and I2C, allowing seamless integration with sensors, actuators, and other peripherals.

With its low power consumption, the ROHM Semiconductor RB-D62Q1325MB16 board is ideal for battery-powered and energy-efficient designs, while its real-time processing capabilities ensure quick response times in time-sensitive tasks. The compact form factor, coupled with development tools and software support, makes the RB-D62Q1325MB16 an excellent solution for prototyping applications in industrial control, consumer electronics, and automotive systems.

Features

  • Provided with a LAPIS ML62Q1325 CMOS 16-bit RISC MCU, 16-pin SSOP
  • Mounted with the linked connector to EASE1000
  • Through-holes for connecting the pins of LSI to external peripheral boards
  • Selectable power supply, supplied from the on-chip emulator EASE1000 or CN1_3pin/CN2_2pin
  • Mounted LED (P20, P21, P22)
  • Low power consumption
  • Real-time processing
  • 1.6V to 5.5V operating power supply
  • Compact form factor, 56mm x 94mm x 15mm (WxDxH) size

Applications

  • Industrial automation
  • Consumer electronics
  • Sensor networks
  • Automotive systems

Overview

Location Circuit - ROHM Semiconductor RB-D62Q1325MB16 Reference Board

Power Circuit

Location Circuit - ROHM Semiconductor RB-D62Q1325MB16 Reference Board

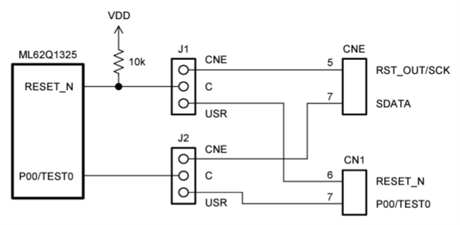
EASE1000 Interface

Location Circuit - ROHM Semiconductor RB-D62Q1325MB16 Reference Board

PCB Layout

Mechanical Drawing - ROHM Semiconductor RB-D62Q1325MB16 Reference Board
Published: 2024-12-23 | Updated: 2024-12-30