ROHM Semiconductor BD41030 LIN & CXPI Transceiver ICs

ROHM Semiconductor BD41030 LIN and CXPI Transceiver ICs are designed to switch between Master/Slave modes using Local Interconnect Network (LIN) or external pins. These ROHM Semiconductor ICs feature low Electro Magnetic Emission (EME), high Electro Magnetic Immunity (EMI), built-in Thermal Shutdown (TSD), and a built-in terminator. The BD41030 Transceiver ICs are ideal for BUS systems that need LIN master and slave protocol. These Transceivers switch between Master/Slave mode using external pins. The AEC-Q100 Qualified BD41030 Transceivers are ideal for use in automotive networks.

The BD41030 Transceiver is offered in SOP-J8 and HSON8 packages for design flexibility.

Features

  • AEC-Q100 qualified, Grade 1
  • Compliant with LIN2.0, LIN2.1, LIN2.2, and LIN2.2A
  • CXPI standards qualified
  • -27V to 40V absolute maximum ratings of LIN-pin
  • 20kbps max transmission rate for LIN
  • 5kbps to 20kbps transmission speed range for CXPI
  • Low Electro Magnetic Emission (EME)
  • High Electro Magnetic Immunity (EMI)
  • High impedance at power off for BUS
  • High Electrostatic Discharge (ESD) robustness
  • Built-in terminator
  • Standby power consumption in sleep mode
  • Transmit data (TXD) dominant time-out function
  • Resistant to LIN-BAT/GND short-circuit
  • Data arbitration function
  • Built-in Thermal Shutdown (TSD)
  • Package options:
    • SOP-J8 (4.90mm x 6.00mm x 1.65mm)
    • HSON8 (2.90mm x 3.00mm x 0.60mm)

Applications

  • LIN communication for Automotive networks

Block Diagram

Block Diagram - ROHM Semiconductor BD41030 LIN & CXPI Transceiver ICs

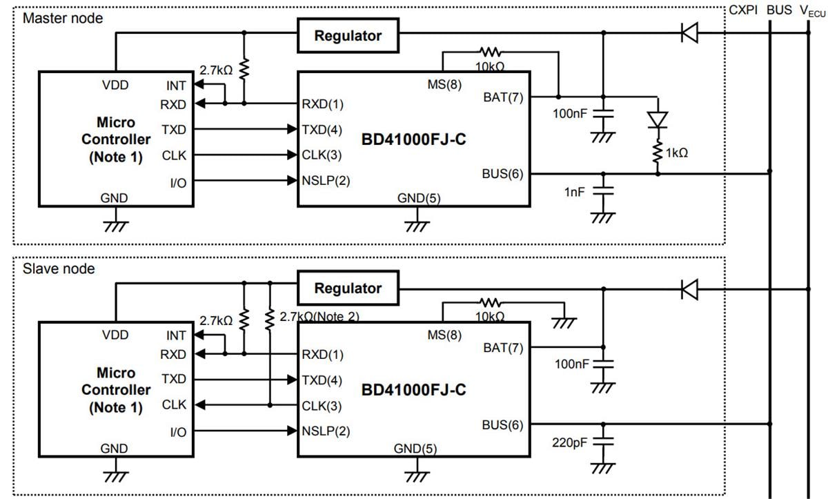
Application Circuit

Application Circuit Diagram - ROHM Semiconductor BD41030 LIN & CXPI Transceiver ICs
Published: 2018-03-15 | Updated: 2023-03-09