ROHM Semiconductor BM2P095F PWM Type DC/DC Converter
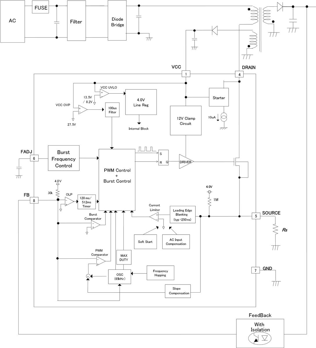
ROHM Semiconductor BM2P095F PWM type DC/DC Converter features 650V built-in switching MOSFET and 650V starter circuit for low power consumption. This converter supports both isolated and nonisolated devices and enables the simpler design of various types of low-power electrical converters. The BM2P095F converter provides an optimal system for all products that include an electrical outlet. This converter offers open protection, short Protection, and per-cycle over-current protection circuit, soft start, and secondary over-current protection circuit. The BM2P095F converter operates at -40°C to 105°C temperature range, 0.50mA normal current, 0.30mA burst current, and 65kHz oscillation frequency. Typical applications include vacuum cleaners, humidifiers, air cleaners, air conditioners, IH cooking heaters, and rice cookers.Features
- PWM current-mode control
- Burst operation when the load is light
- Frequency reduction function
- VCC pin under-voltage protection
- VCC pin overvoltage protection
- SOURCE pin open protection
- SOURCE pin short protection
- SOURCE pin leading-edge blanking function
- Per-cycle over-current protection circuit
- Soft start
- Secondary over-current protection circuit
Specifications
- -40°C to 105°C operating temperature range
- 0.50mA normal operating current
- 0.30mA burst operating current
- 65kHz PWM frequency
- 0.56W power dissipation
Applications
- Household appliances:
- Vacuum cleaners
- Humidifiers
- Air cleaners
- Air conditioners
- IH cooking heaters
- Rice cookers
- AC adapters
Application Circuit
Block Diagram
Published: 2021-02-16
| Updated: 2022-03-11
