ROHM Semiconductor BD7693FJ Power Factor Correction Controller

ROHM Semiconductor BD7693FJ Power Factor Correction Controller is a Boundary Conduction Mode (BCM) PFC Controller that provides a simple, high-performance, active Power Factor Correction using minimal external components. The BD7693FJ employs a Zero Current Detection (ZCD) circuit to greatly reduce switching loss and noise. The device also incorporates a circuit lowering Total Harmonic Distortion (THD). The BD7693FJ supports the IEC 61000-3-2 Class C Harmonics Standard, making it ideal for lighting applications.

The ROHM Semiconductor BD7693FJ Power Factor Correction Controller is offered in a 4.9mm x 6.0mm SOP-J8 package with a -40°C to +105°C operating temperature range.

Features

  • Boundary Conduction Mode PFC
  • 10V to 38V input voltage range
  • Low THD circuit incorporation
  • Low 58mA operating current
  • VCC UVLO function
  • ZCD by auxiliary winding
  • Static OVP by the VS pin
  • Error amplifier input short protection
  • Stable MOSFET gate drive
  • Soft start
  • -40 °C to +105 °C operating temperature range
  • 4.9mm x 6.0mm x 1.65mm SOP-J8 package

Applications

  • Lighting equipment
  • AC adapters
  • White goods

Typical Application Circuit

Application Circuit Diagram - ROHM Semiconductor BD7693FJ Power Factor Correction Controller

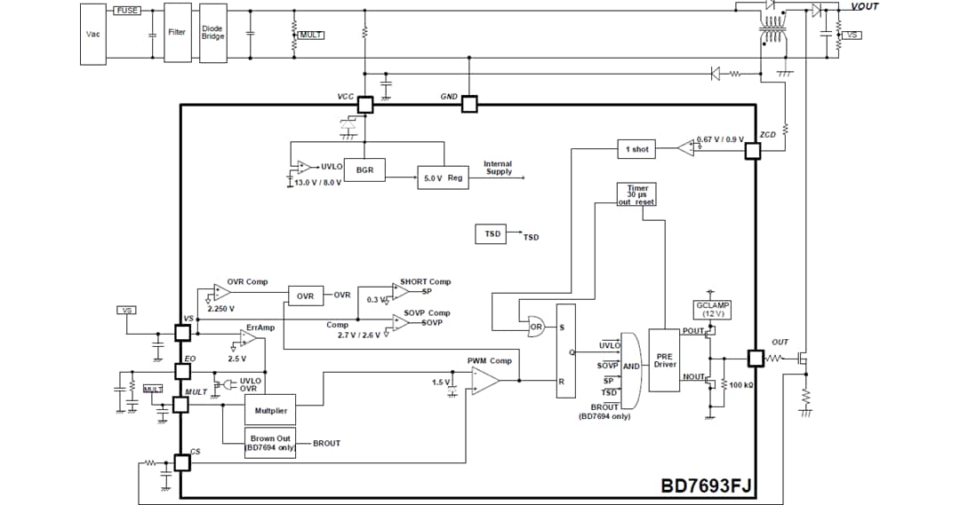
Block Diagram

Block Diagram - ROHM Semiconductor BD7693FJ Power Factor Correction Controller
Published: 2021-08-05 | Updated: 2022-03-11