ROHM Semiconductor BD41044FJ-C CAN FD Transceivers for Automotive
ROHM Semiconductor BD41044FJ-C CAN FD Transceivers for Automotive are for CAN-FD communication (fully ISO 11898-2:2016 compliant). The device is equipped with circuitry that functions as transmitter and receiver, necessary for High-speed CAN-FD communication (up to 5Mbps).Features
- AEC-Q100 qualified
- Transmission rate of 40kbps to 5Mbps
- Power saving mode correspondence
- SPLIT voltage output for stabilizing recessive Bus level
- Under-voltage detection function
- Thermal shutdown (TSD) function
- TXD dominant time-out function (normal mode)
- CAN Bus dominant time-out function (standby mode)
- Bus wake-up capability
Applications
- CAN communication for automotive networks
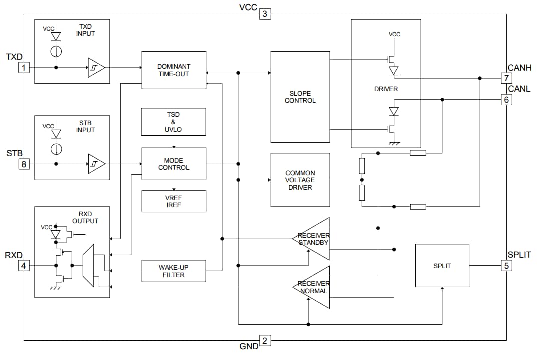
Block Diagram
Published: 2022-02-01
| Updated: 2022-03-11
