Renesas Electronics ISL78208 3A Dual Buck Regulator
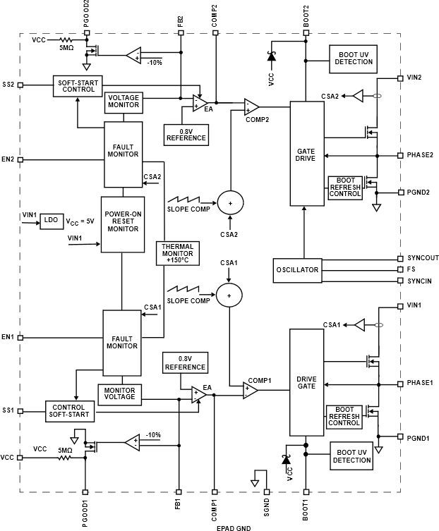
Renesas / Intersil ISL78208 3A Dual Buck Regulator is capable of 3A per channel with continuous output current. With an input range of 4.5V to 28V, it provides a high-frequency power solution for a variety of point-of-load applications. The PWM controller in the IS L78208 drives an internal switching N-Channel power MOSFET and requires an external Schottky diode to generate the output voltage. The integrated power switch is optimized for excellent thermal performance up to 3A of output current. The PWM regulator switches at a default frequency of 500kHz and it can be user-programmed or synchronized from 300kHz to 2MHz.The ISL78208 utilizes peak current mode control to provide flexibility in component selection and minimize solution size. The protection features include overcurrent, UVLO, and thermal overload protection. The ISL78208 is available in a 5mm x 5mm 32 Lead Wettable Flank Quad Flat Pb-free (WFQFN) package. The ISL78208 is both AEC- Q100 rated and fully TS16949 compliant. The ISL78208 is rated for the automotive temperature range (-40°C to +105°C).
Features
- Wide input voltage range from 4.5V to 28V
- Adjustable output voltage with continuous output current up to 3A
- Current mode control
- Adjustable switching frequency from 300kHz to 2MHz
- Independent power-good detection
- Selectable in-phase or out-of-phase PWM operation
- Internal 2ms Soft-start time
- Independent, sequential, ratiometric, or absolute tracking between outputs
- Overcurrent/short circuit protection, thermal overload protection, UVLO
- Boot undervoltage detection
- TS16949 compliant
- AEC - Q100 tested
- Pb-Free and RoHS compliant
Applications
- DSP and embedded processor power supply
- Infotainment system power
Block Diagram
Published: 2013-09-19
| Updated: 2023-06-20
