onsemi TL331 Comparators

onsemi TL331 Comparators are single channel, open collector, and low-power voltage comparators. These comparators are specifically designed to operate over a wide 2V to 36V single supply voltage range and ±1V to ±18V range for split supplies. The TL331 comparators feature 0.5mA low supply current, 25nA low input bias current, ±5nA low input offset current, and ±2mV low input offset voltage. The input common-mode voltage range includes ground, even when operated from a single power supply voltage. The TL331 comparators come in a space-saving TSOP−5 package and are also available in an automotive-qualified version. These comparators are used in automotive and other applications that require unique site and control change requirements.

Features

  • Wide single supply voltage range or dual supplies
  • 0.5mA (typical) low supply current
  • 25nA (typical) low input bias current
  • ±5nA (typical) low input offset current
  • ±2mV (typical) low input offset voltage
  • -40°C to 125°C operating temperature range
  • Input common-mode voltage range includes ground
  • 150mV low output saturation voltage (typical) at IO=4mA
  • Differential input voltage range equal to the supply voltage
  • AEC-Q100 qualified and PPAP capable
  • Pb-free, Halogen-free/BFR-free, and RoHS compliant

Applications

  • TTL, DTL, ECL, and CMOS-compatible devices
  • Inverters

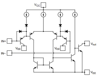
Schematic

Schematic - onsemi TL331 Comparators
View Results ( 4 ) Page
Part Number Datasheet Ib - Input Bias Current Ios - Input Offset Current Vos - Input Offset Voltage Output Current per Channel Operating Supply Current Propagation Delay Time Mounting Style Package/Case Number of Channels RoHS - Mouser
TL331VSN4T1G TL331VSN4T1G Datasheet 25 nA 5 nA 1 mV 500 uA 850 ns SMD/SMT TSOP-5 1 Channel Y
TL331SN4T1G TL331SN4T1G Datasheet 400 nA 150 nA 9 mV 20 mA 500 uA 850 ns SMD/SMT TSOP-5 1 Channel Y
TL331SN4T3G TL331SN4T3G Datasheet 25 nA 5 nA 1 mV 16 mA 500 uA 850 ns, 700 ns SMD/SMT TSOP-5 1 Channel Y
TL331VSN4T3G TL331VSN4T3G Datasheet 25 nA 5 nA 1 mV 16 mA 500 uA 300 ns SMD/SMT TSOP-5 1 Channel Y
Published: 2024-07-30 | Updated: 2024-08-27