onsemi NRVTS560ETFS 60V Trench Based Schottky Rectifier

onsemi NRVTS560ETFS 60V Trench-Based Schottky Rectifier provides very stable switching characteristics over a wide temperature range and is an ideal output rectifier for switching power supplies. The NRVTS560ETFS is a very low leakage trench-based Schottky rectifier that offers 60V reverse voltage and 540mV forward voltage. This rectifier allows low forward voltage drop without the high reverse leakage tradeoff. The NRVTS560ETFS rectifier features 120A forward surge current and 50μA reverse current (TJ=25°C) and operates from -55°C to 175°C temperature range. This NRVTS560ETFS rectifier is AEC-Q101 qualified and PPAP capable. The Schottky rectifier is Pb and halide-free. Typical applications include reverse battery protection, instrumentation, automotive LED lighting, freewheeling and OR-ing diodes, and high-frequency and DC−DC converters.

Features

  • Fine lithography trench-based Schottky technology for very low leakage
  • Fast switching with exceptional temperature stability
  • Low power loss and lower operating temperature
  • Higher efficiency for achieving regulatory compliance
  • Low thermal resistance
  • High surge capability
  • AEC-Q101 qualified and PPAP capable
  • Pb and halide-free
  • RoHS compliant

Specifications

  • 60V reverse voltage
  • 540mV forward voltage
  • 120A forward surge current
  • 50μA (TJ=25°C) reverse current
  • -55°C to 175°C operating temperature range

Applications

  • Switching power supplies, including wireless, smartphone, and notebook adapters
  • High-frequency and DC-DC converters
  • Freewheeling and OR-ing diodes
  • Reverse battery protection
  • Instrumentation
  • Automotive LED lighting

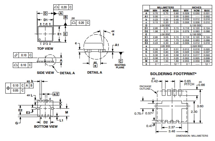
Dimension Diagram

Mechanical Drawing - onsemi NRVTS560ETFS 60V Trench Based Schottky Rectifier
Published: 2023-12-20 | Updated: 2024-06-03