onsemi NCx575x0 Isolated Dual Channel IGBT Gate Drivers
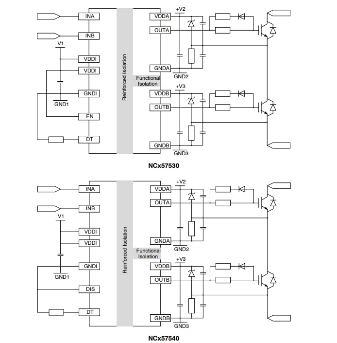
onsemi NCx575x0 Isolated Dual-Channel IGBT Gate Drivers feature 5kVRMS internal galvanic isolation from input to each output and functional isolation between the two output channels. The NCx575x0 achieves 3.3V to 20V bias voltage and signal levels on the input side and up to 32V bias voltage on the output side.The onsemi NCx575x0 isolated dual-channel gate drivers permit complementary inputs and supply separate pins for Disable (NCx57540), Enable (NCx57530), and Dead Time control for system design convenience.
The NCx575x0 drivers are housed in a CASE 752AJ SOIC-16 wide-body package with increased insulation between channels.
Features
- High peak output current (±6.5A, ±3.5A)
- Configurable as a dual low-side, dual high-side, or half-bridge driver
- Tight UVLO thresholds on all power supplies
- 2.5kVRMS or 5kVRMS Galvanic isolation from input to each output and 1.5kVRMS differential voltage between output channels
- Short propagation delays with accurate matching
- 3.3V, 5V, and 15V logic input
- Programmable overlap or dead time control programmable overlap or dead time control
- Disable/Enable pin to turn off outputs for power sequencing
- IGBT Gate clamping during short circuit
Applications
- Automotive
- Industrial
- EV chargers
- Uninterruptible Power Supplies (UPS)
- Industrial power supplies
- Solar inverters
NCx57530 Simplified Block Diagram
NCx57540 Simplified Block Diagram
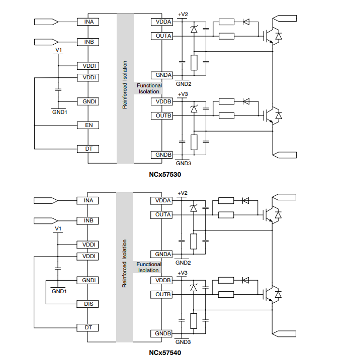
Typical Application with Dead Time
Typical Application without Dead Time
Published: 2022-11-14
| Updated: 2024-05-29
