onsemi NCV7755 Octal High-Side Driver

onsemi NCV7755 Octal High-Side Driver is an automotive-grade integrated driver offering eight high-side switches. The NCV7755 enables drive capability up to 700mA per channel and is protected from overload and overtemperature conditions. Each channel has integrated output clamps intended for switching inductive loads and multiple start pulses for bulbs. Furthermore, the clamps can be mapped to two internal PWM generators for LED loads. The device implements an SPI for output control and diagnostic reporting. Also, the INx pins can be mapped to any of the outputs for direct control. The dedicated limp-home mode enables operational control of two high-side drivers via logic input pins.

For optimal thermal performance, the onsemi NCV7755 is housed in an SSOP-24 exposed pad package.

Features

  • 8x high-side channels
    • For relays (flyback clamps)
    • Bulbs (multiple pulse in-rush scheme)
    • LEDs (internal PWM generator)
    • 2.3A peak current (maximum)
    • RDS(on) 0.9Ω (typical), 1.8Ω (maximum)
    • Paralleling of two output pairs is allowed
  • SPI Control (16 Bit)
    • Frame error detection (16 Bits + 8n Bits)
    • Daisy chain capable
  • Two input pins with mapping for PWM operation
  • Low quiescent current in sleep mode
  • Limp home mode with auto-retry
  • Supports cranking voltage of 3V minimum on VS
  • 3.3V and 5V compatible digital input supply range
  • Fault reporting
    • Openload (OFF or ON)
    • Overload
    • Overtemperature
    • Power supply fail (VS, VDD undervoltage)
    • Output short to GND and battery
  • Reverse polarity protection
  • Loss of ground protection
  • Power-on Reset (VDD)
  • SSOP-24 with an exposed pad
  • NCV prefix for automotive
    • Site and change control
    • AEC−Q100 qualified

Applications

  • Automotive body control units
  • Automotive engine control units
  • Relay drives
  • Bulb drives
  • LED drives

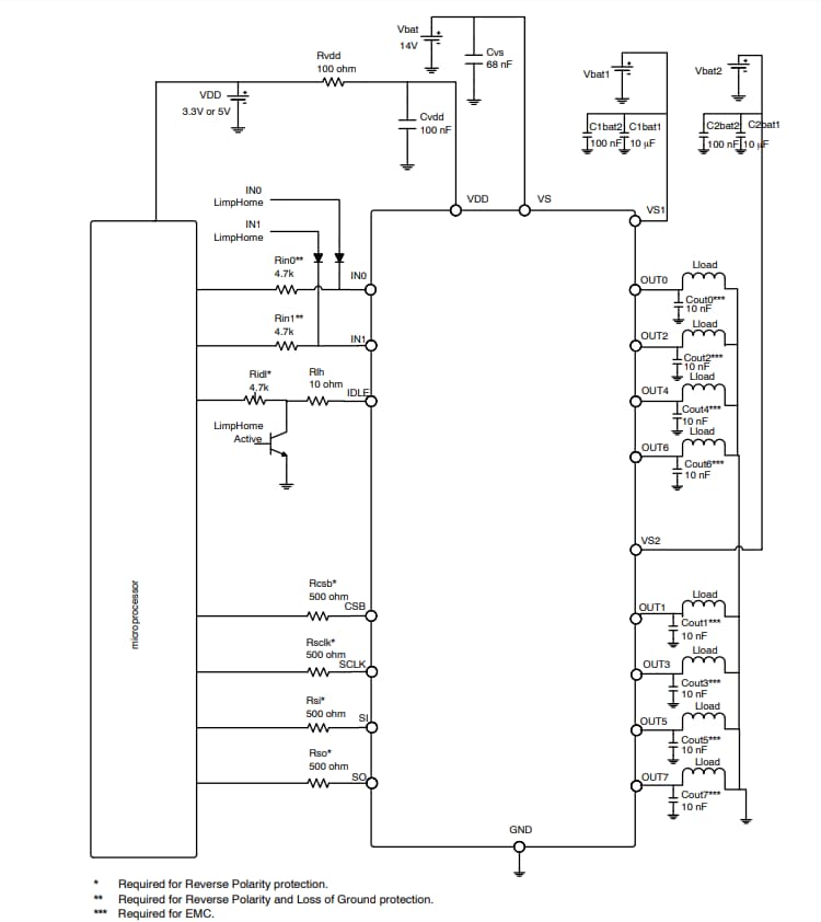
Application Diagram

Application Circuit Diagram - onsemi NCV7755 Octal High-Side Driver

Block Diagram

Block Diagram - onsemi NCV7755 Octal High-Side Driver
Published: 2023-01-30 | Updated: 2023-08-08