onsemi NCV57001F IGBT Gate Driver

onsemi NCV57001F IGBT Gate Driver is a high-current single-channel IGBT driver with internal galvanic isolation designed for high system efficiency and reliability. This gate driver features complementary inputs, open-drain FAULT, and Ready outputs, active Miller clamp, accurate UVLOs, DESAT protection, and soft turn-off at DESAT. onsemi NCV57001F IGBT Gate Driver accommodates 5V and 3.3V signals on the input side and a wide bias voltage range on the driver side, including negative voltage capability. This gate driver provides >5kVrms (UL1577 rating) galvanic isolation and >1200Viorm (working voltage) capabilities. Typical applications include automotive power supplies, hybrid/electric vehicle (HEV/EV) powertrains, BSG inverters, and positive temperature coefficient (PTC) heaters.

Features

  • High current output (4A/-6A) at IGBT Miller Plateau voltages
  • Low output impedance for enhanced IGBT driving
  • Short propagation delays with accurate matching
  • Active Miller clamp to prevent spurious gate turn-on
  • DESAT protection with programmable delay
  • Typical 550ns soft turn off during IGBT short circuit
  • IGBT gate clamping during short circuit
  • IGBT gate active pull down
  • Tight UVLO thresholds for bias flexibility
  • Wide bias voltage range including negative VEE2
  • 3.3V to 5V input supply voltage range
  • 5000V galvanic isolation (to meet UL1577 requirements)
  • 1200V working voltage (per VDE0884-10 requirements)
  • High transient immunity
  • High electromagnetic immunity
  • Device is Pb-free, Halogen-free/BFR free, and is RoHS compliant
  • AEC-Q100 Qualified and PPAP capable

Applications

  • Automotive power supplies
  • HEV/EV powertrain
  • BSG inverter
  • PTC heater

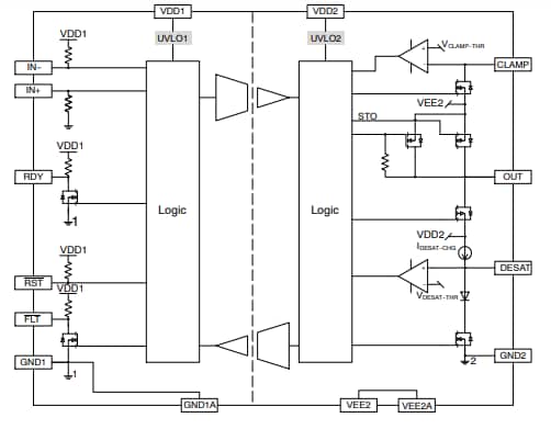
Block Diagram

Block Diagram - onsemi NCV57001F IGBT Gate Driver

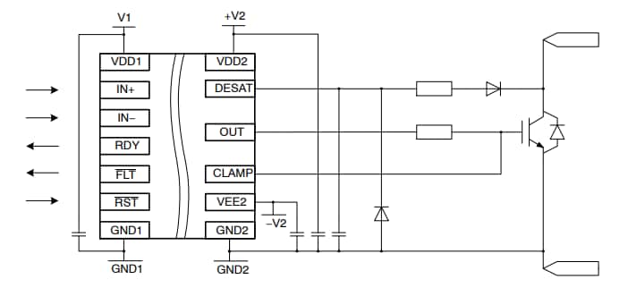
Simplified Application Circuit

Application Circuit Diagram - onsemi NCV57001F IGBT Gate Driver
Published: 2020-06-02 | Updated: 2024-06-10