onsemi NCV12711 Current Mode PWM Controller
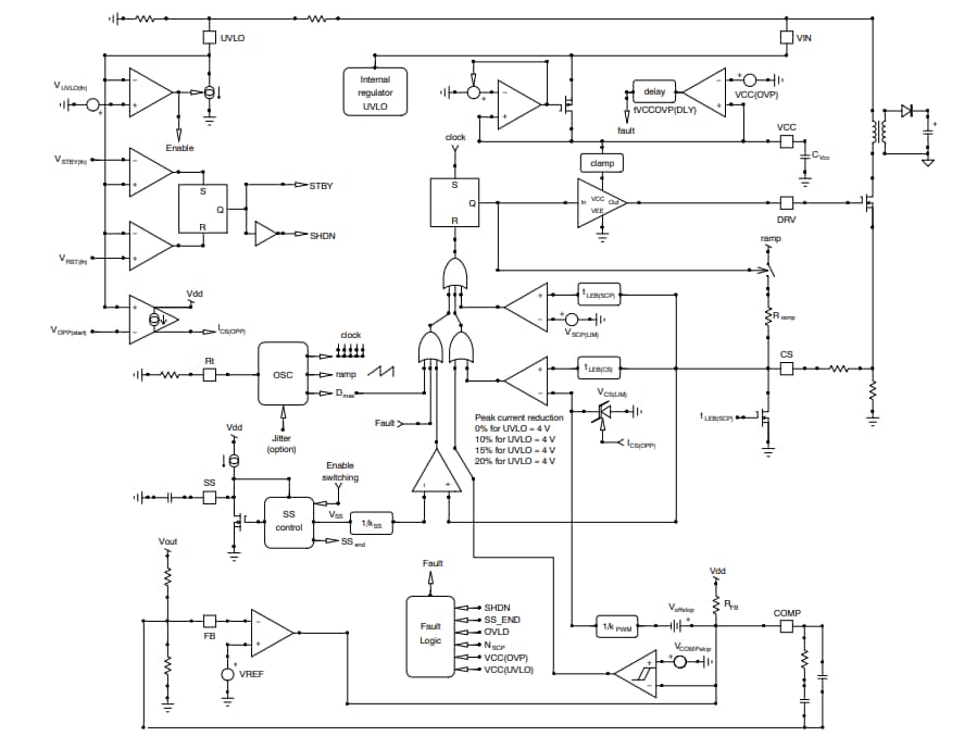
onsemi NCV12711 Current Mode PWM Controller is a fixed-frequency peak-current-mode device furnishing all of the features required for implementing single-ended power converter topologies. The NCV12711 has an operating voltage of 4V to 45V without auxiliary winding and within its thermal capabilities. The NCV12711 comprises a programmable oscillator that operates from 100kHz to 1MHz and integrates slope compensation to prevent subharmonic oscillations.The onsemi NCV12711 Current Mode PWM Controller incorporates a programmable soft-start, input voltage UVLO protection, and over-power protection (OPP) circuit, which limits the total power capacity of the circuit as the input voltage increases. Additionally, the NCV12711 encompasses a suite of protection features, including cycle-by-cycle peak-current limiting with smooth frequency increase and timer-based overload protection. All protection features place the controller into a low quiescent fault mode with a 1s auto-recovery period to permit system recovery if the fault condition is removed.
Features
- Wide VCC input range (4V to 45V)
- Internal 7.5V regulator
- Current−mode control with adjustable slope compensation
- 0% Duty ratio operation in no-load condition
- Internal over power protection
- Single resistor programmable oscillator 100kHz to 1MHz
- Adjustable soft-start on peak current and frequency
- Programmable input voltage UVLO with Hysteresis
- Shutdown threshold for external disable
- Overload protection with 30ms overload timer
- Internal operational amplifier
- Fault auto-recovery mode with 1s auto-recovery period
- ±1A Source / Sink gate driver
- NCV Prefix for automotive and other applications requiring unique site and control change requirements; AEC−Q101 qualified and PPAP capable
Applications
- Single-ended flyback and forward converters for electric vehicles
- Automotive 4V to 45V input DC/DC controller for auxiliary power
Block Diagram
Application Schematics
Published: 2022-08-22
| Updated: 2022-10-13
