onsemi SECO-RSL10-CAM-GEVB RSL10 Smart Shot Camera

onsemi SECO-RSL10-CAM-GEVB RSL10 Smart Shot Camera is a complete node-to-cloud platform that enables smart image capture for a wide range of applications. This camera-based on RSL10 SIP and ARX3A0 CMOS image sensor features multiple trigger modes including time, motion detection, and environmental sensor triggers. The RSL10 SIP serves as the processing hub of the camera, enabling BLUETOOTH® low energy connectivity of captured image and sensor data to the mobile app. This app provides developers access to a variety of features including cloud connectivity, remote configuration of sensors, and changes in the image capture trigger modes.

This platform features ARX3A0 Mono 65° DFOV IAS module, a compact design form-factor for developing compact cameras. The camera offers 360 fps mono imaging based on an ARX3A0 CMOS image sensor. The low-power operation of the RSL10 SIP and ARX3A0 is complemented by a dedicated NCP6925 Power Management IC (PMIC) (NCP6925) and smart power management modes. This smart shot camera is a portable device that offers unprecedented ultra-low power consumption, battery life of more than 1 year, and multiple powering options. Typical applications include asset monitoring, security, smart agriculture, and criteria-based monitoring.

Features

  • Supports multiple image capture trigger modes:
    • Periodic (1second to 1minute intervals)
    • Continuous video-like stream with less than 1 frame/s on BLE5.0 and above on compatible mobile devices
    • Proximity detection
    • Acceleration trigger
    • Environment change trigger
  • Bluetooth low energy connectivity (Bluetooth 5) enabled by the RSL10 SIP:
    • Firmware Over The Air (FOTA) updates
  • Unprecedented ultra-low power consumption (standby and active mode ) for battery life more than 1 year
  • Multiple powering options (USB or rechargeable Li-ion batteries)
  • Portable device
  • Small form factor (55mm x 65mm):
    • Advanced 360 fps imaging provided by the ARX3A0 Mono 65° DFOV IAS module
    • High sensitivity at both visible and NIR wavelength
    • Super low power (3.2mW)
    • 1/10 sensor for super compact module
    • Auto exposure featured enabled during image processing
  • RSL10 smart shot mobile app (GooglePlay™) (iOS®):
    • Cloud connectivity to amazon web services (Amazon Rekognition)
    • Image analytics/AI engine to detect and identify objects within an image
  • Multiple trigger functions for various use cases

Applications

  • Asset monitoring
  • Security
  • Smart agriculture
  • Criteria-based monitoring

Videos

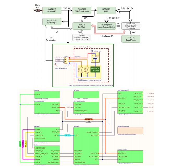
RSL10 Smart Shot Camera System Architecture

Schematic - onsemi SECO-RSL10-CAM-GEVB RSL10 Smart Shot Camera
Published: 2021-02-01 | Updated: 2022-03-11