onsemi FAN9673 CCM PFC Controller

onsemi FAN9673 is an interleaved three-channel Continuous Conduction Mode (CCM) Power Factor Correction (PFC) controller IC intended for PFC pre-regulators. The FAN9673 enables the design of a power supply that fully complies with the IEC1000-3-2 specification by incorporating circuits for the implementation of leading edge, average current, and "boost"-type power factor correction. Interleaved operation provides substantial reduction in the input and output ripple currents and the conducted EMI filtering becomes easier and cost effective.

An innovative channel management function allows the power level of the slave channels to be loaded and unloaded smoothly according to the setting voltage on the CM pin, improving the PFC converter's load transient response. The onsemi FAN9673 also incorporates a variety of protection functions, including: peak current limiting, input voltage brown out protection, and TriFault Detect™ function.

Features

  • Continuous Conduction Mode (CCM) control
  • Three-channel PFC control (maximum)
  • Average current-mode control
  • PFC slave channel management function
  • 18kHz to 40kHz or 55kHz to 75kHz programmable operating frequency range
  • Programmable PFC output voltage
  • Two current limit functions
  • TriFault Detect protects against feedback loop failure
  • Sag protection
  • Programmable soft-start
  • Under-voltage lockout (UVLO)
  • Differential current sensing
  • Available in 32-pin LQFP package

Applications

  • High power AC - DC power supply
  • DC motor power supply
  • White goods
  • Server and telecom power supply
  • UPS
  • Industrial welding and power supply

Typical Application

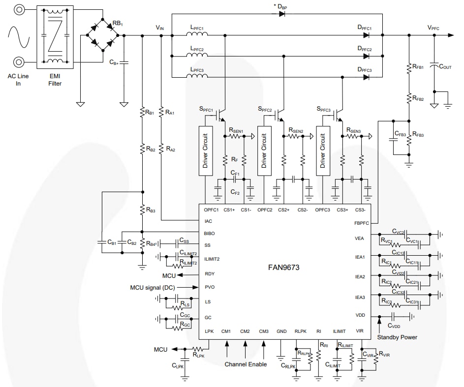
Application Circuit Diagram - onsemi FAN9673 CCM PFC Controller
Published: 2014-04-03 | Updated: 2022-03-11