Nisshinbo R1276S Synchronous Step-Down DC-DC Converter

Nisshinbo R1276S Synchronous Step-Down DC-DC Converter features a built-in transistor and 95% efficiency. Under cranking conditions, the switching frequency of the R1276S is automatically reduced to keep the output voltage level constant. The R1276S DC-DC Converter has a 3.6V to 30.0V input voltage range and a 4.5V start-up voltage. The typical standby current is 4µA. The R1276S ensures low EMI (Electromagnetic Interference) noise by employing a spread spectrum clock generator with a +10% diffusion rate.

The Nisshinbo R1276S DC-DC Converter is offered in commercial and automotive variants, with an operating temperature range of -40°C to 105°C (commercial) and -40°C to 125°C (automotive). Both variants are provided in an HSOP-18 package.

Features

  • 3.6V to 30.0V input voltage range
  • 4.5V start-up voltaage
  • 0.7V to 6.5V output voltage range, externally adjustable
  • 12µA (typical) supply current (VFM, at no switching)
  • 4.5µA (typical) standby current
  • 0.64V feedback voltage
  • ±1.0% feedback voltage accuracy
  • 3A output current
  • 0.145Ω high-side transistor ON-resistance
  • 0.145Ω low-side transistor ON-resistance
  • 250kHz to 1MHz oscillator frequency, adjustable with external resistors
  • 95% efficiency
  • Soft-start
  • Thermal shutdown: Tj = 160°C
  • Undervoltage lockout (UVLO): VCC = 3.3V (typical)
  • Overvoltage lockout (OVLO): VIN = 35.0V (typical)
  • Overvoltage detection (OVD): FB pin voltage (VFB) +10%
  • LX current limiting: 4.2A (typical)
  • Over-current protection: Hiccup-type
  • Operating temperature range
    • -40°C to 105°C (commercial)
    • -40°C to 125°C (automotive)
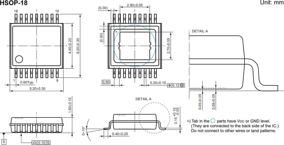
  • 5.2mm x 6.2mm x 1.45mm HSOP-18 package

Applications

  • Automotive
    • Car audio equipment
    • Vehicle navigation systems
    • Electronic Toll Collection (ETC) systems
    • Electric Vehicle (EV) inverters and charge controllers
  • Commercial
    • Digital electronics
    • Portable communication equipment
    • Cameras and video cameras
    • Office equipment

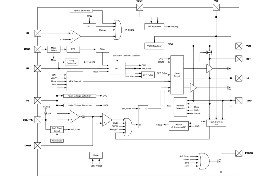
Block Diagram

Block Diagram - Nisshinbo R1276S Synchronous Step-Down DC-DC Converter

Package Outline

Mechanical Drawing - Nisshinbo R1276S Synchronous Step-Down DC-DC Converter
View Results ( 6 ) Page
Part Number Datasheet Description
R1276S001C-E2-KE R1276S001C-E2-KE Datasheet Switching Voltage Regulators 30V, 3A Synchronous Step-down DC/DC Converter for Automotive Applications
R1276S001A-E2-FE R1276S001A-E2-FE Datasheet Switching Voltage Regulators 30V, 3A Synchronous Step-down DC/DC Converter
R1276S001A-E2-KE R1276S001A-E2-KE Datasheet Switching Voltage Regulators 30V, 3A Synchronous Step-down DC/DC Converter for Automotive Applications
R1276S002A-E2-KE R1276S002A-E2-KE Datasheet Switching Voltage Regulators 30V, 3A Synchronous Step-down DC/DC Converter for Automotive Applications
R1276S002C-E2-KE R1276S002C-E2-KE Datasheet Switching Voltage Regulators 30V, 3A Synchronous Step-down DC/DC Converter for Automotive Applications
R1276S004A-E2-FE R1276S004A-E2-FE Datasheet Switching Voltage Regulators 30V, 3A Synchronous Step-down DC/DC Converter
Published: 2021-01-29 | Updated: 2022-03-11