Monolithic Power Systems (MPS) MPQ8634 Step-Down Converters
Monolithic Power Systems (MPS) MPQ8634 Step-Down Converters are fully integrated high-frequency, synchronous, buck converters. The MPQ8634A and MPQ8634B are compact solutions that achieve up to 12A (MPQ8634A) and 20A (MPQ8634B). The devices feature excellent load and line regulation over a wide input supply range. The devices operate at high efficiency over a wide output current load range.Features
- Wide input voltage range
- 2.85V to 16V with external 3.3V VCC bias
- 4V to 16V with internal VCC bias or external 3.3V VCC bias
- Differential output voltage remote sense
- Programmable accurate current limit level
- Output current
- 12A for MPQ8634A
- 20A for MPQ8634B
- Low RDS(ON) integrated power MOSFETs
- Proprietary switching loss reduction technique
- Reference voltage
- 0.5% over 0°C to +70°C junction temperature range
- 1% from -40°C to +125°C junction temperature range
- Adaptive COT for ultrafast transient response
- Stable with zero ESR output capacitor
- Pin-selectable pulse-skip mode or forced CCM operation
- Excellent load regulation
- Output voltage tracking and discharge
- PGOOD actively clamped at a low level during power failure
- Programmable soft-start time from 1.5ms
- Pre-bias start-Up
- Selectable switching frequency from 600kHz, 800kHz, and 1000kHz
- Latch-off OCP, UVP, UVLO, thermal shutdown, and latch-off for OVP
- Output adjustable from 0.9V to 90% VIN, up to 6V maximum
- Available in a QFN-21 (3mm x 4mm) package
Applications
- Telecom and networking systems
- Servers, cloud computing, and storage
- Base stations
- General purpose Point-of-Load (PoL)
- 12V distribution power systems
- High-end TVs
- Game consoles and graphic cards
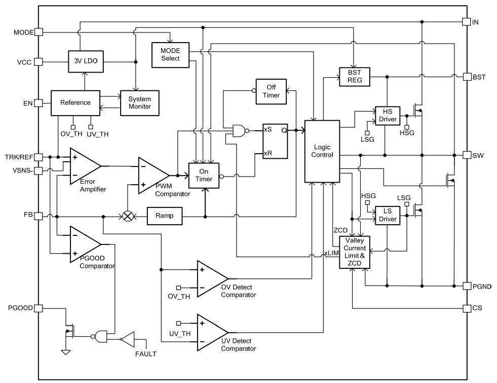
Block Diagram
Published: 2019-02-20
| Updated: 2023-10-18
